- Partiron
- OEM Parts
- Suzuki
- Motorcycle
- 2005
- DR-Z250 (2005)
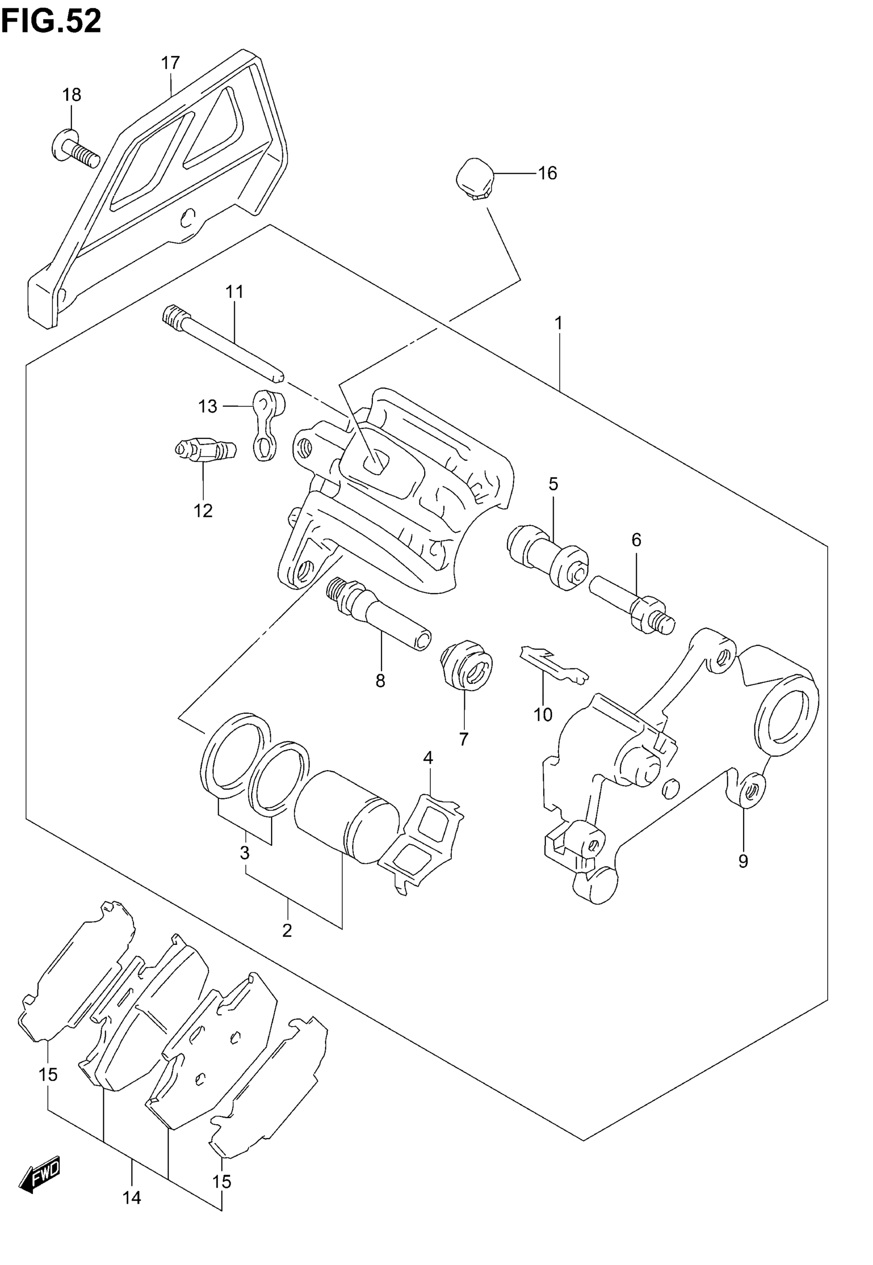
REAR CALIPER
Suzuki DR-Z250 (2005) REAR CALIPER Diagram
#
Description
Price
1
CALIPER ASSY, REAR | Includes Item(s) 2 - 13
69100-13E00-999
Unavailable
9
BRACKET
69351-43D01
Unavailable
16
COVER, CALIPER BODY
69171-14D00
Unavailable
