- Partiron
- OEM Parts
- Suzuki
- Motorcycle
- 2005
- DR-Z250 (2005)
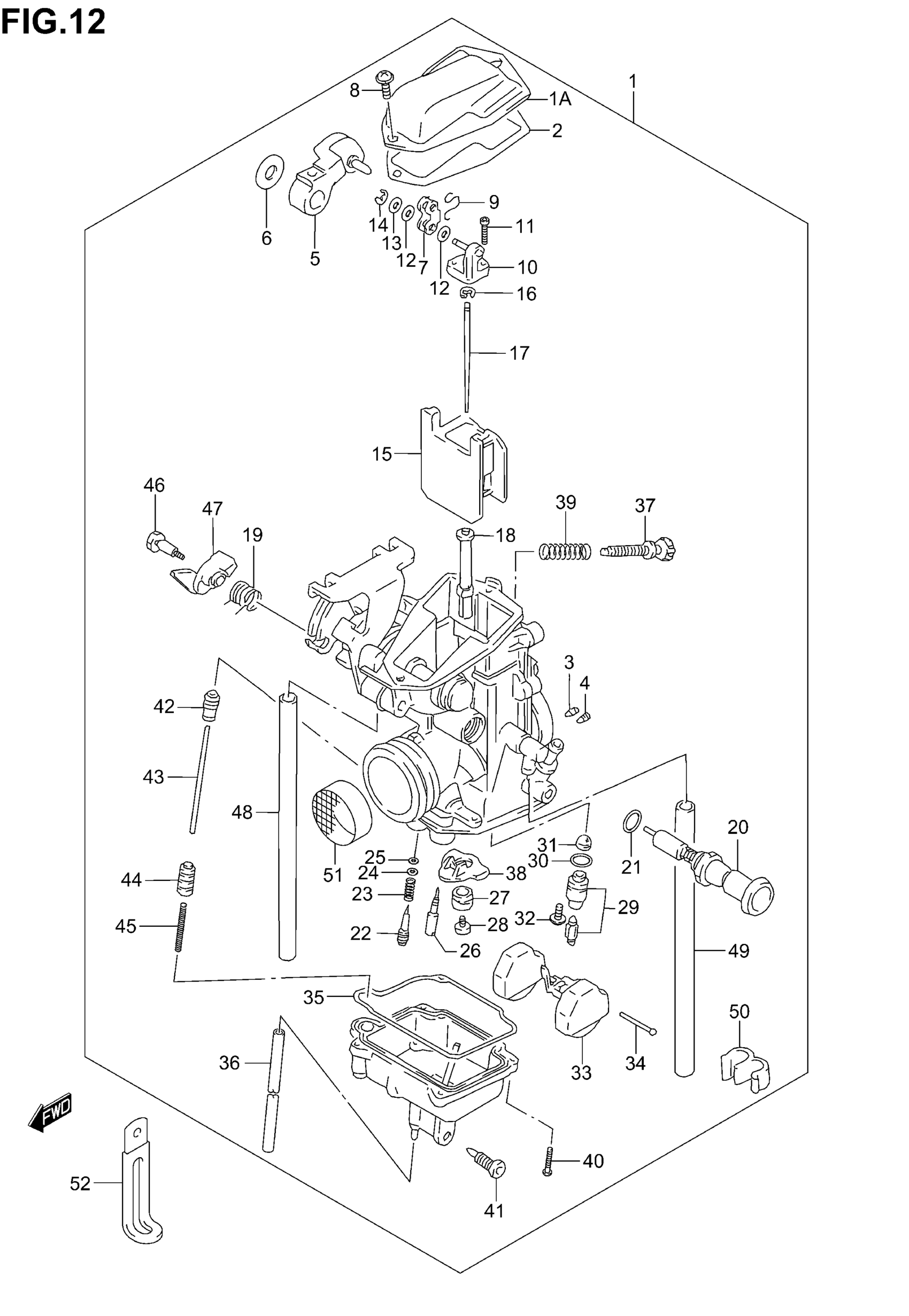
CARBURETOR (E3/E28)
Suzuki DR-Z250 (2005) CARBURETOR (E3/E28) Diagram
#
Description
Price
1A
COVER, TOP
13261-13E00
Unavailable
5
LEVER SET, THROTTLE
13541-13E00
Unavailable
6
WASHER
13575-38200
Unavailable
7
PLATE
13447-14A00
Unavailable
9
CLIP ASSY
13446-13E00
Unavailable
10
CONNECTOR
13398-27A02
Unavailable
11
SCREW This part replaces 02112-03123.
02112-0312B
Unavailable
13
WASHER (4.5X8X0.5)
09160-04024
Unavailable
15
VALVE, PISTON | 1.5
13551-13E30
Unavailable
17
NEEDLE, JET | 6FN3-3
13383-13E30
Unavailable
37
ADJUSTER
13267-13D01
Unavailable
39
SPRING
13268-13E00
Unavailable
