- Partiron
- OEM Parts
- Suzuki
- Motorcycle
- 2026
- DR-Z125LM6(E28) (2026)
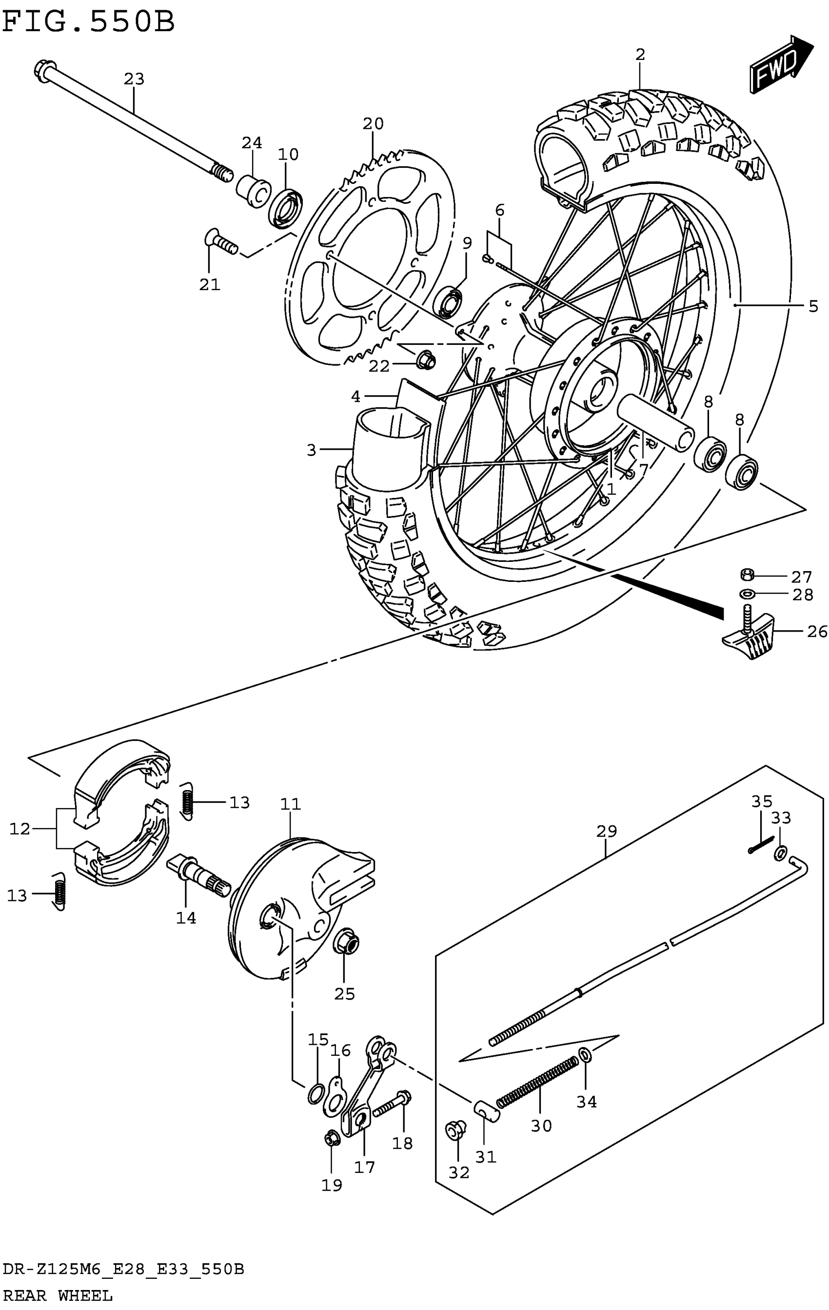
REAR WHEEL (DR-Z125L)
Suzuki DR-Z125LM6(E28) (2026) REAR WHEEL (DR-Z125L) Diagram
#
Description
Price
REAR WHEEL (DR-Z125L)
#
Edit ride
