- Partiron
- OEM Parts
- Suzuki
- Motorcycle
- 2026
- DR-Z125LM6(E28) (2026)
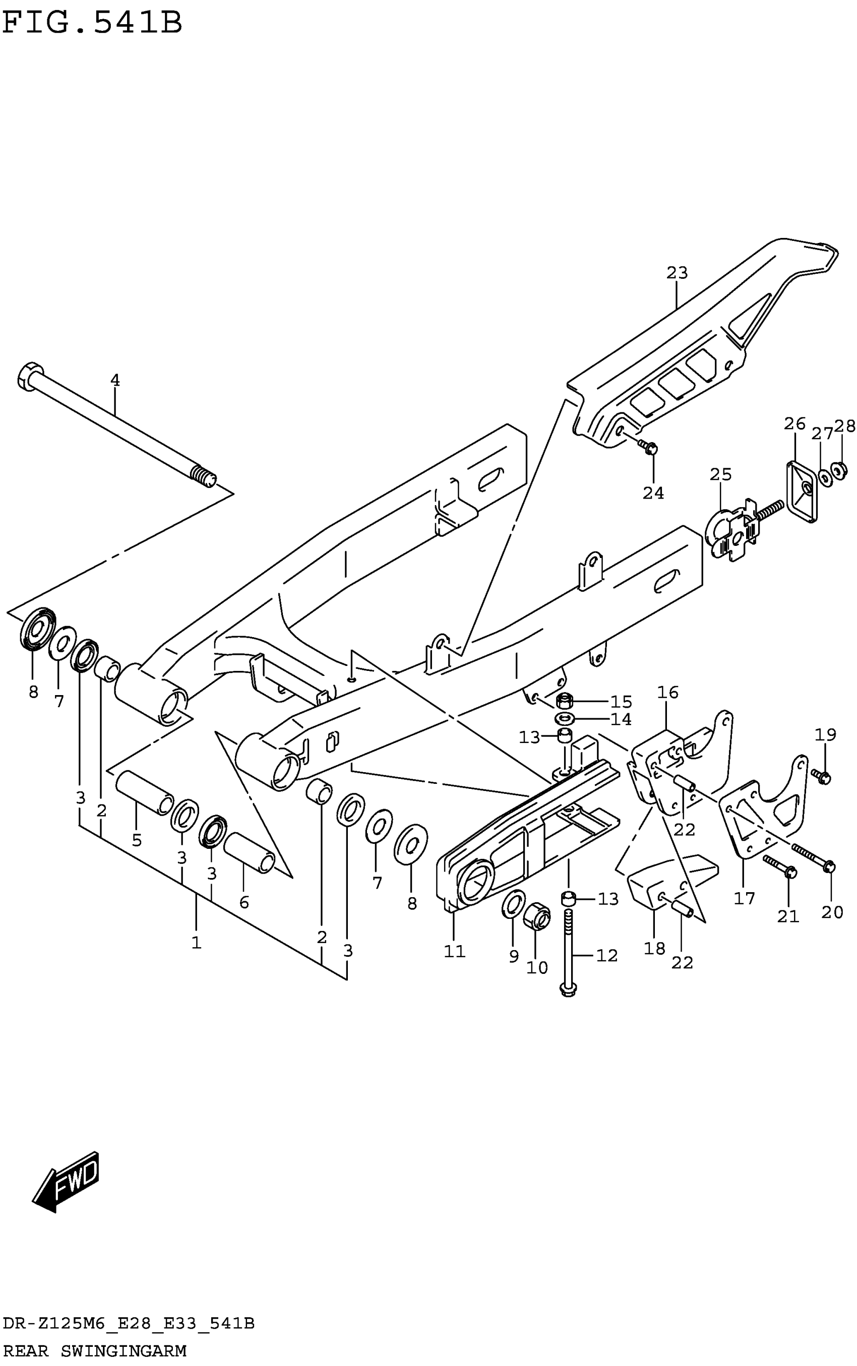
REAR SWINGINGARM (DR-Z125L)
Suzuki DR-Z125LM6(E28) (2026) REAR SWINGINGARM (DR-Z125L) Diagram
#
Description
Price
1
SWINGINGARM ASSY, RR (SILVER)
61000-08G00-13L
Unavailable
