Partiron

Suzuki DR-Z125LM6(E28) (2026) CYLINDER HEAD Diagram

#

Description
Price

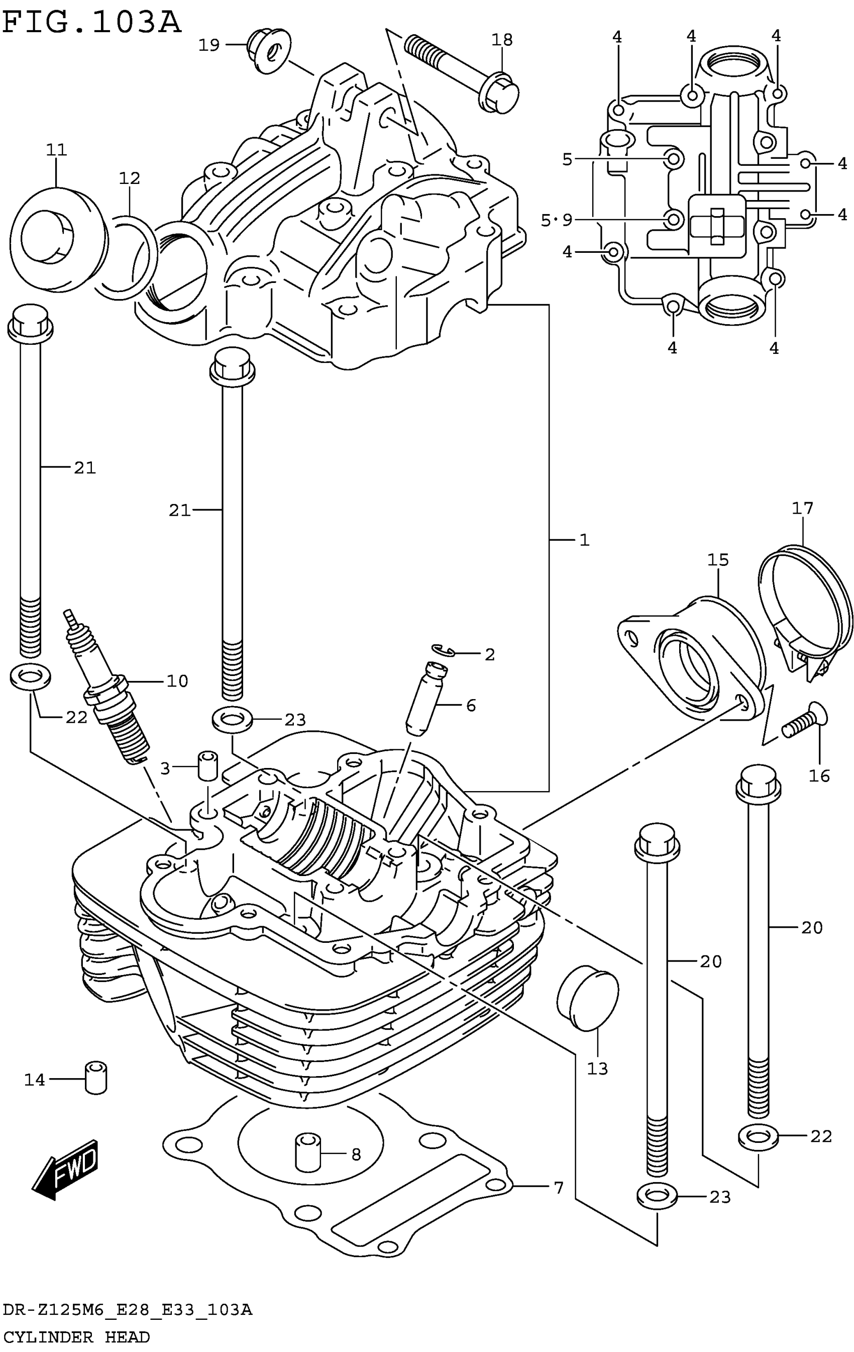
1

HEAD ASSY, CYLINDER

11100-08G00

$712.18

2

.RING (10X85)

09381-10004

$1.50

3

.PIN (8X11)

09206-08001

$1.78

4

BOLT

01550-0635A

$2.32

5

.BOLT

01550-0660A

$3.05

6

GUIDE, VALVE (0S:0.3) | OPT

11115-05270

$32.10

7

.GASKET.CYLINDER HEAD

11141-05202

$12.15

8

PIN

04211-11169

$1.78

9

GASKET (5.8X13X1.2)

09168-06023

$2.35

10-1

SPARK PLUG (DR8EA)

09482-00399

$3.32

10-2

SPARK PLUG (X24ESR-U)

09482-00223

$5.18

11

CAP INSPECTION This part replaces 11175-18900.

11175-18920

$12.20

12

.O RING (D:3,ID:29.5)

09280-30001

$1.72

13

PLUG (OD:22.5)

09241-22002

$5.24

14

PAD, RUBBER

11151-45000

$3.84

15

PIPE ASSY, INTAKE

13101-08G01

$21.43

16

SCREW

02122-0616A

$1.49

17

CLAMP

09402-46208

$4.64

18

BOLT (8X50)

09103-08081

$3.72

19

NUT

08319-3108A

$2.32

20

BOLT (8X155)

09103-08378

$7.55

21

BOLT (8X165)

09103-08379

$6.42

22

.GASKET (8.5X17X2.3)

09168-08021

$2.61

23

.GASKET (8.5X17X2.3)

09168-08021

$2.61