- Partiron
- OEM Parts
- Suzuki
- Motorcycle
- 2025
- DR-Z125LM5 (2025)
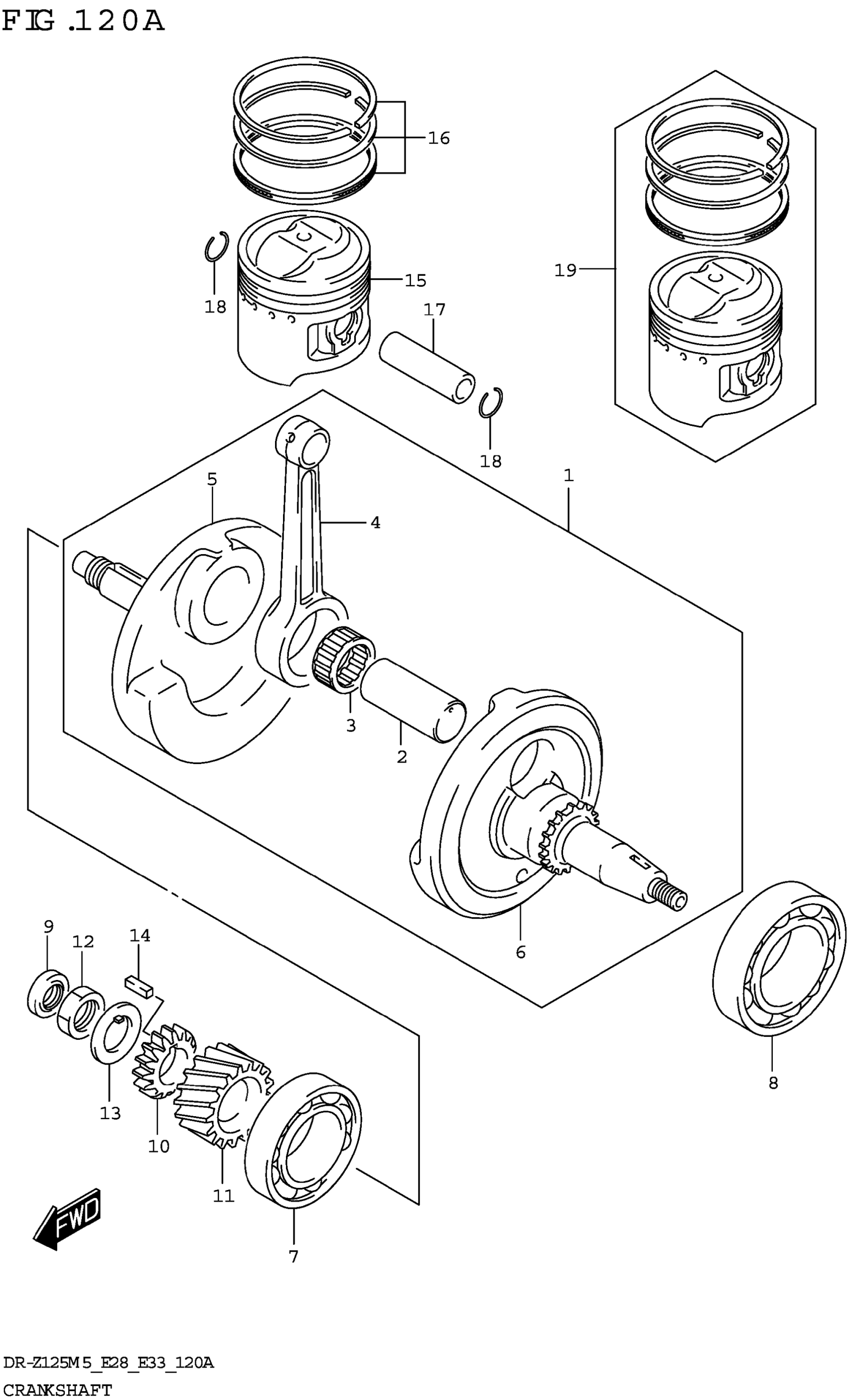
CRANKSHAFT
Suzuki DR-Z125LM5 (2025) CRANKSHAFT Diagram
#
Description
Price
1
CRANKSHAFT ASSY
12200-05240
Unavailable
2
.PIN, CRANK
12211-05231
Unavailable
3
.BEARING (28X36X15.8)
09263-28027-0B0
Unavailable
4
.CONNROD
12161-05221-0B0
Unavailable
5
.CRANKSHAFT RH
12221-05210
Unavailable
6
.CRANKSHAFT LH
12261-05210
Unavailable
10
GEAR, OIL PUMP DRIVE (NT:15)
16321-05201
Unavailable
11
GEAR, PRIMARY DRIVE (NT:17)
21111-05200-0C0
Unavailable
