- Partiron
- OEM Parts
- Suzuki
- Motorcycle
- 2025
- DR-Z125LM5 (2025)
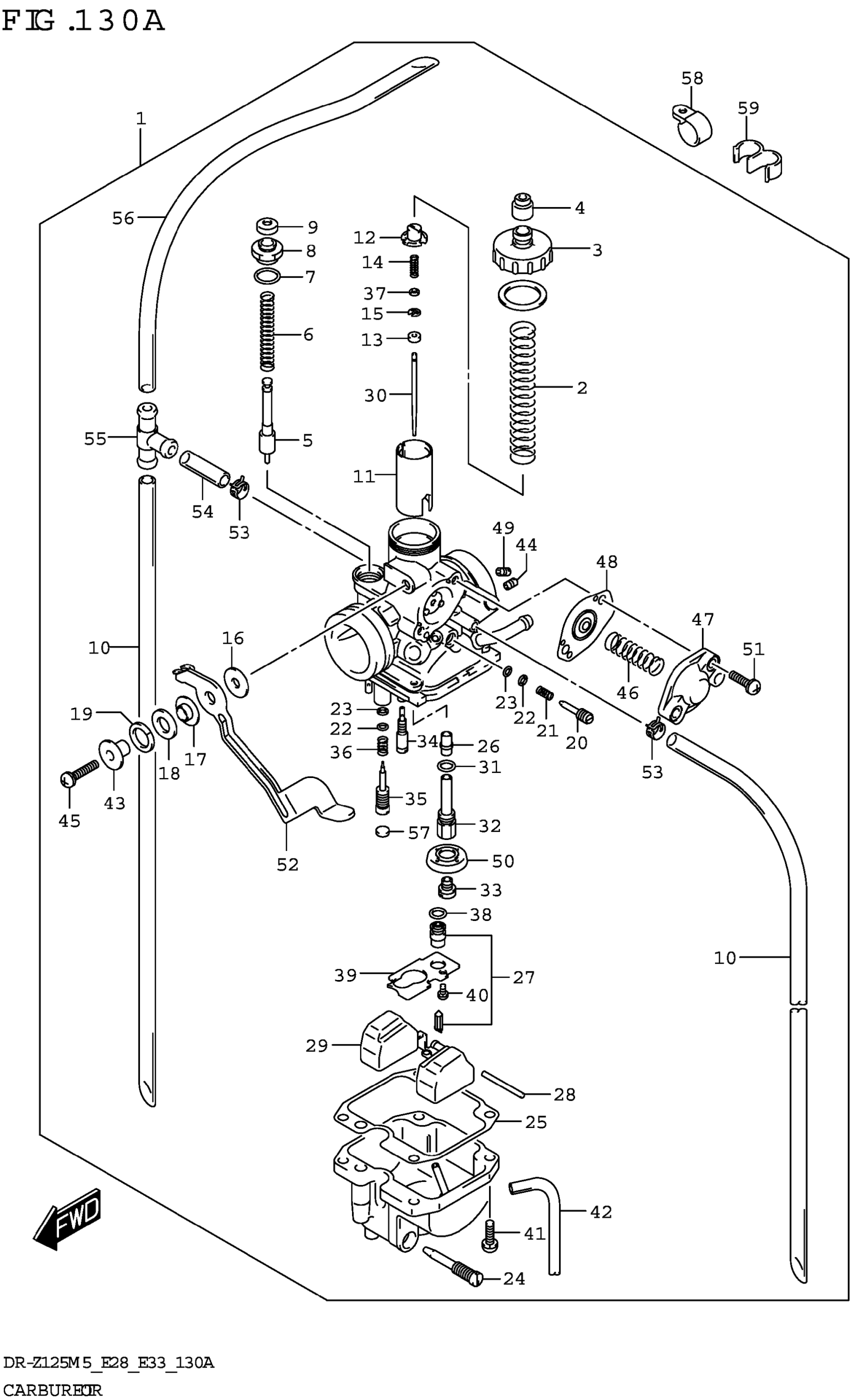
CARBURETOR
Suzuki DR-Z125LM5 (2025) CARBURETOR Diagram
#
Description
Price
39
.PLATE
13259-29B10
Unavailable
44
.JET (85)
09493-85001
Unavailable
49
.JET (#145)
09492-29002
Unavailable
