Partiron

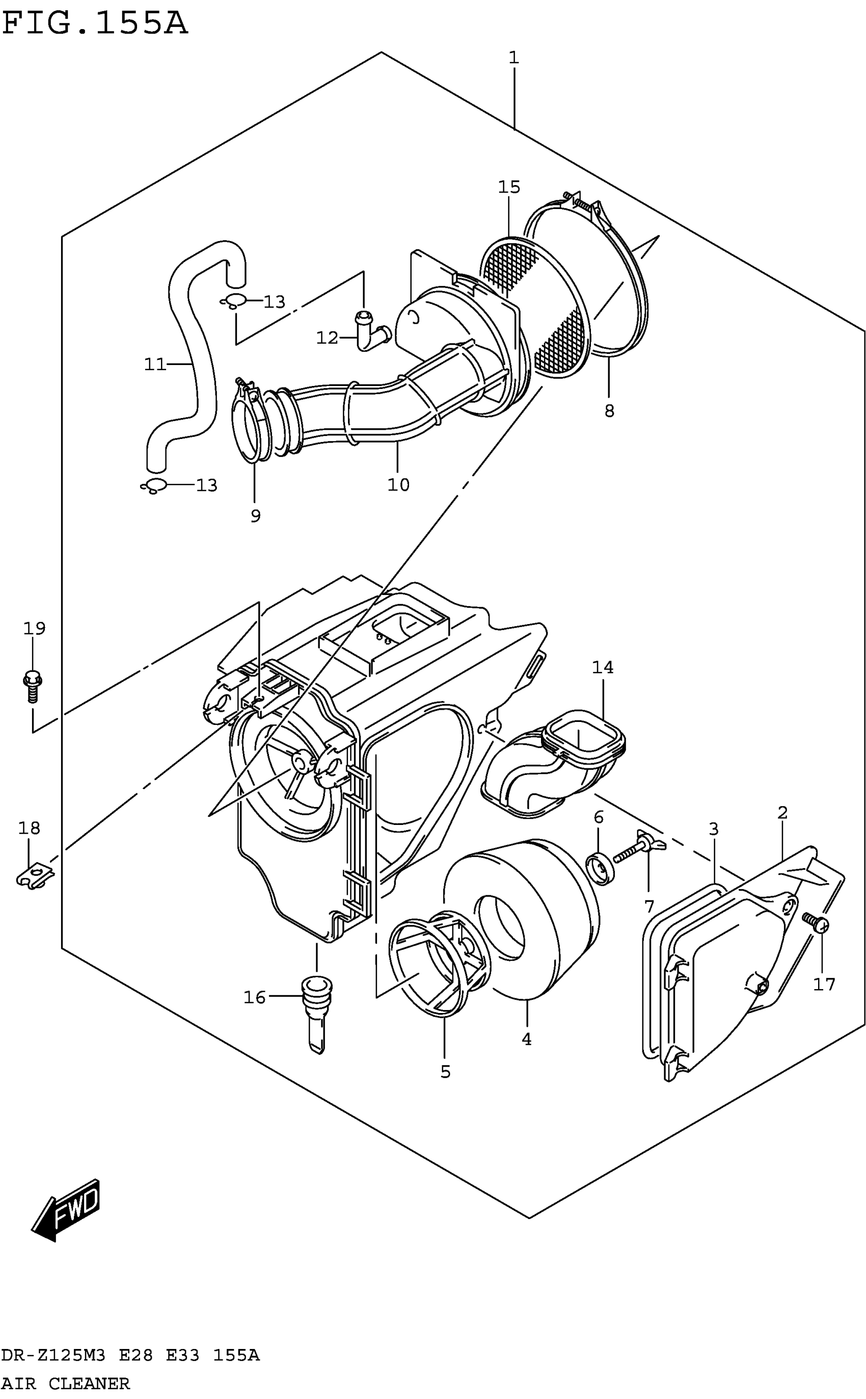
Suzuki DR-Z125LM3 (2023) AIR CLEANER Diagram

#

Description
Price

1

CLEANER ASSY, AIR

13700-08G02

$209.77

2

.CAP, AIR CLEANER

13740-08G01

$23.64

3

.GASKET

13746-08G00

$5.00

4

.FILTER

13780-08G00

$36.50

5

.HOLDER, FILTER

13791-08G00

$12.30

6

.WASHER

13792-13A01

$4.34

7

.BOLT, WING

13831-31G00

$8.07

8

.CLAMP, OUTLET TUBE | CLEANER SIDE

13826-14D01

$9.32

9

.CLAMP

09402-48208

$4.64

10

.TUBE, OUTLET

13881-08G01

$41.93

11

.TUBE, BREATHER

13853-08G01

$14.88

12

.JOINT

13858-14D20

$7.22

13

.CLIP (ID:14.5)

09401-14101

$2.34

14

.TUBE, INLET

13891-08G00

$29.33

15

.TRAP, FLAME

13810-03G00

$11.87

16

.CAP, DRAIN

13681-19B01

$6.63

17

.SCREW

02142-0516B

$1.93

18

NUT (M6)

09148-06021

$3.56

19

BOLT

01547-0612A

$2.03