- Partiron
- OEM Parts
- Suzuki
- Motorcycle
- 2022
- DR-Z125LM2 (2022)
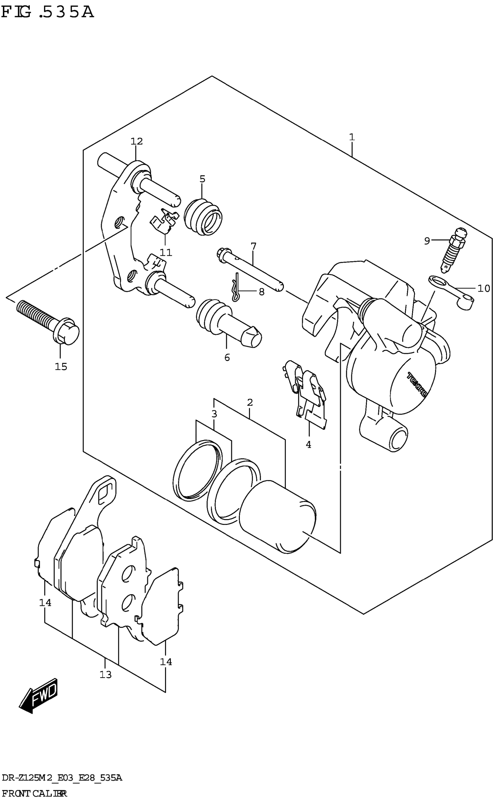
FRONT CALIPER (DR-Z125L:(E03,E28))
Suzuki DR-Z125LM2 (2022) FRONT CALIPER (DR-Z125L:(E03,E28)) Diagram
#
Description
Price
FRONT CALIPER (DR-Z125L:(E03,E28))
#
Edit ride
