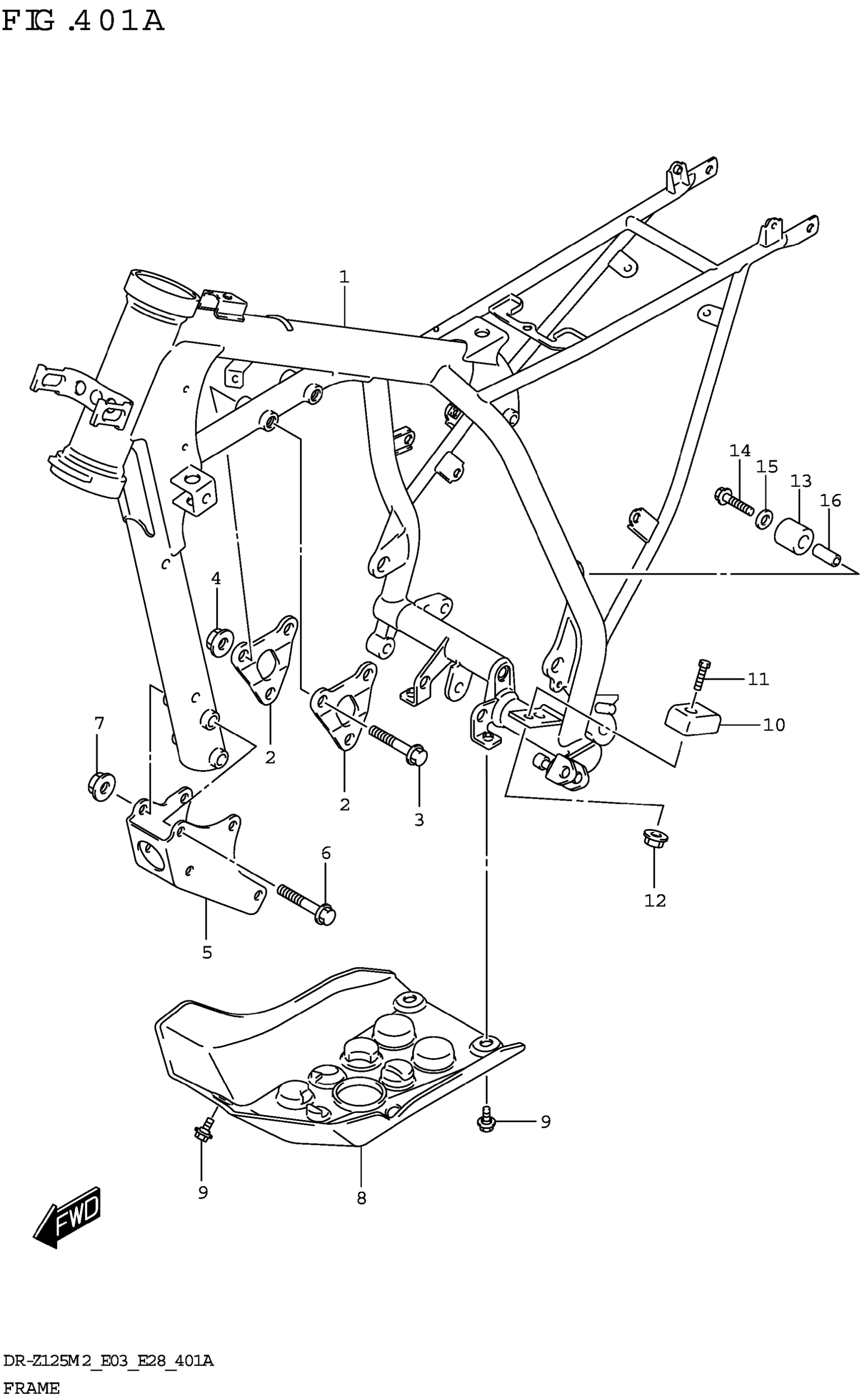
Suzuki DR-Z125LM2 (2022) FRAME Diagram
#
Description
Price
5
PLATE, ENG MTG LWR (GRAY)
41992-08G00-YPT
Unavailable
11
BOLT (6X16)
09128-06088
Unavailable
#
5
41992-08G00-YPT
Unavailable
11
09128-06088
Unavailable
Edit ride
