- Partiron
- OEM Parts
- Suzuki
- Motorcycle
- 2013
- DR-Z125L3 (2013)
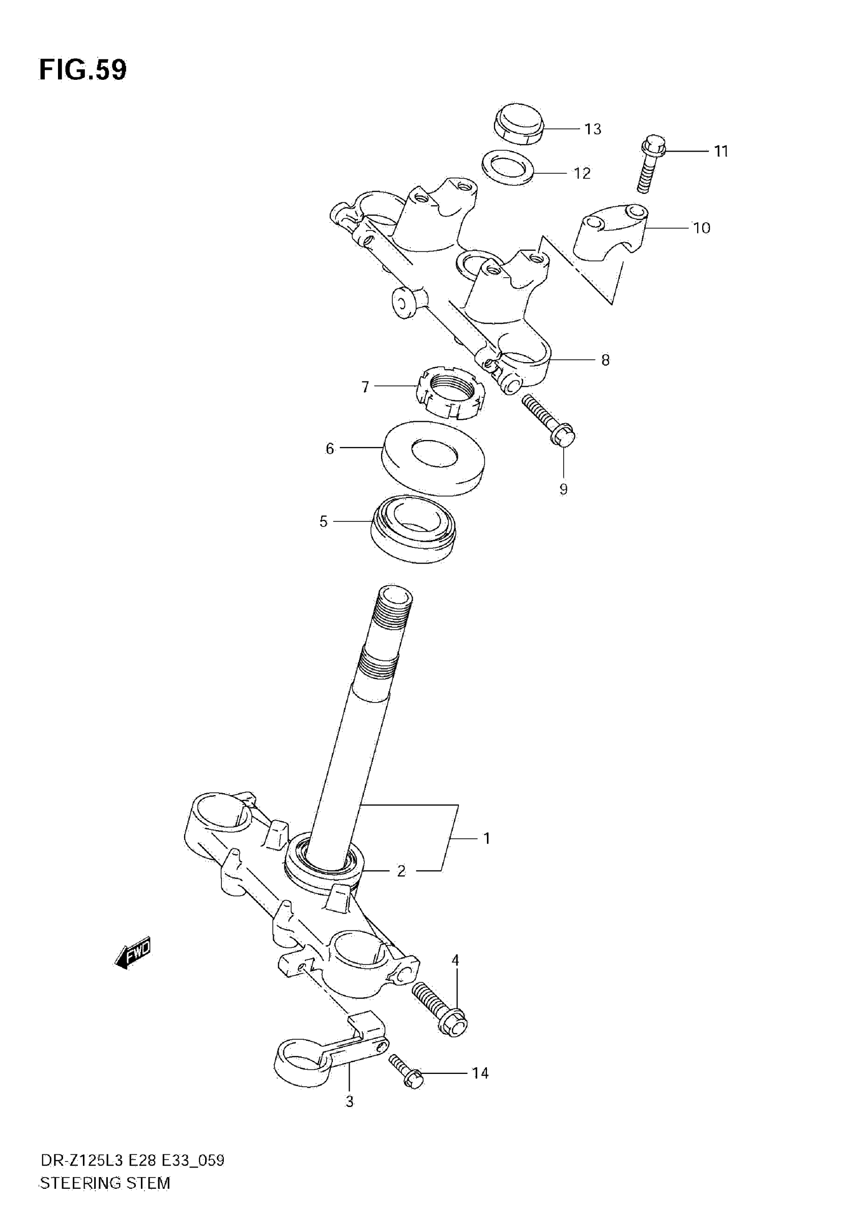
STEERING STEM (DR-Z125L3 E33)
Suzuki DR-Z125L3 (2013) STEERING STEM (DR-Z125L3 E33) Diagram
#
Description
Price
1
STEM, STEERING
51410-08G00
Unavailable
4
BOLT
51328-08G00
Unavailable
8
BRACKET, UPR
51311-08G00
Unavailable
