Partiron

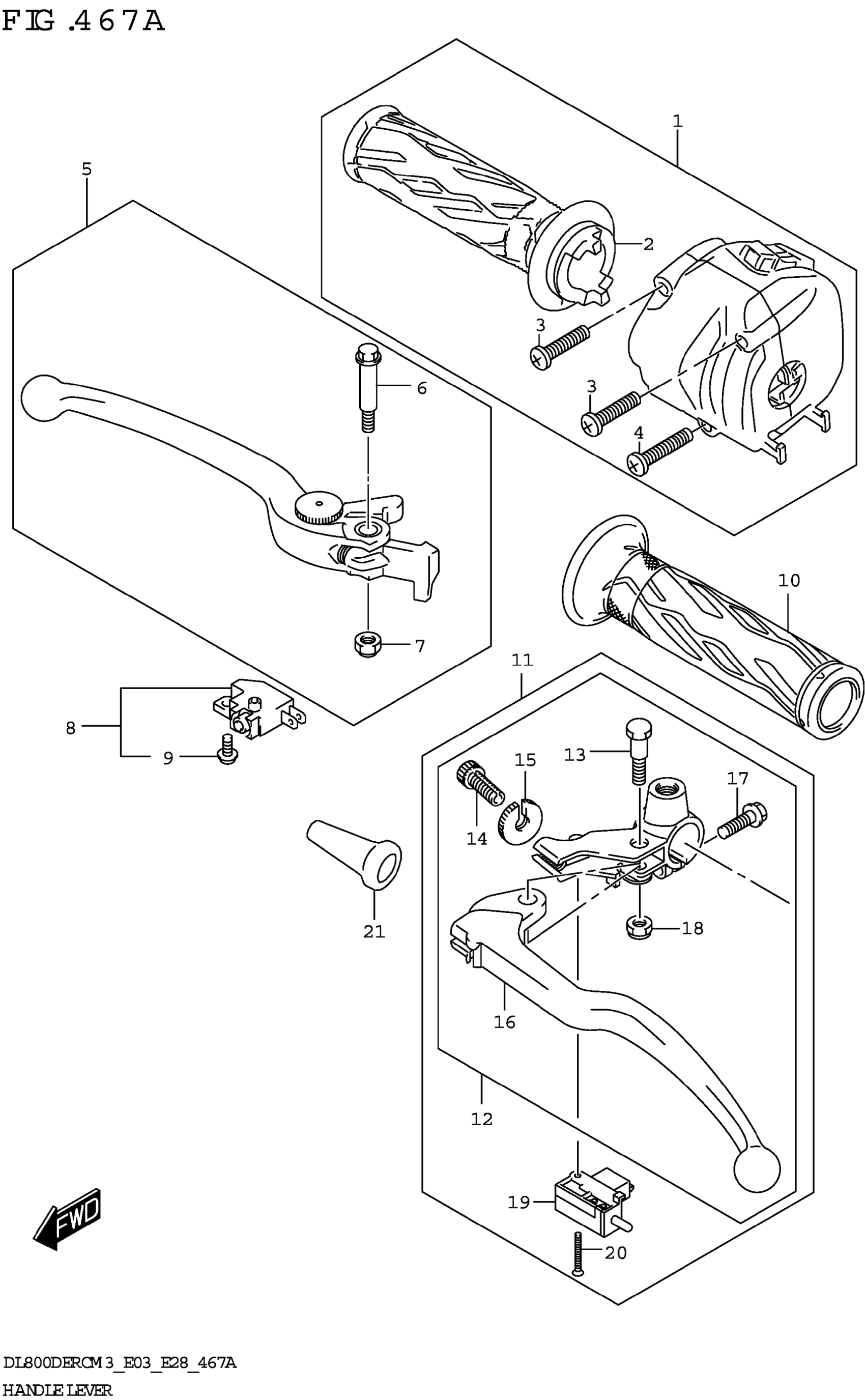
Suzuki DL800DERCM3 (2023) HANDLE LEVER Diagram

#

Description
Price

1

GRIP ASSY,THROTTLE

57100-06L70

$319.40

2

.GRIP,THROTTLE This part replaces 57110-06L00.

57110-06L10

$25.42

3

.SCREW

02112-0530B

$1.49

4

.SCREW

02112-0540B

$2.70

5

LEVER ASSY,BRAKE

57300-14G40

$97.07

6

.BOLT,LEVER PIVOT

57431-17H02

$7.13

7

.NUT

08319-2106A

$1.91

8

SWITCH ASSY,FR BRAKE

57460-14J02

$38.46

9

.SCREW,WITH WASHER (4X12)

57465-17C00

$2.19

10

GRIP,L

57211-21H01

$11.13

11

LEVER SET,CLUTCH

57059-25D50

$83.40

12

.LEVER ASSY,CLUTCH

57500-25D50

$73.57

13

..BOLT,LEVER PIVOT

57431-21D11

$9.76

14

..ADJUSTER,WIRE

57441-25L00

$18.75

15

..NUT,LOCK

57442-08C01

$8.36

16

..LEVER,CLUTCH

57621-25D10

$38.21

17

..BOLT

01547-0620B

$2.45

18

.NUT

08319-2106A

$1.91

19

.SWITCH,CLUTCH

57560-05A00

$12.15

20

.SCREW,CLUTCH SWITCH

57562-41G01

$9.58

21

BOOT, CLUTCH CABLE

58273-31001

$2.22