- Partiron
- OEM Parts
- Suzuki
- Motorcycle
- 2023
- DL800DERCM3 (2023)
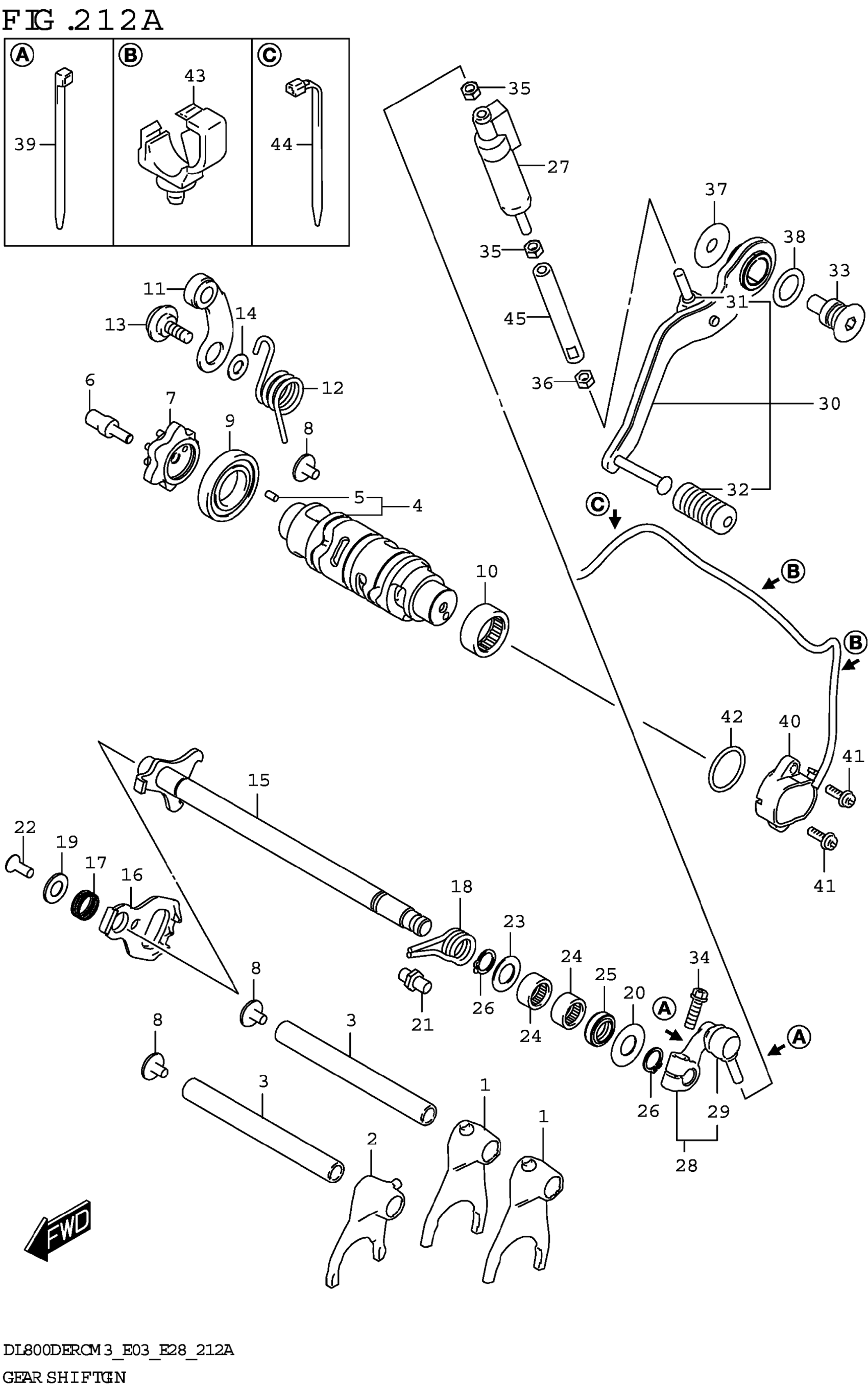
GEAR SHIFTING
Suzuki DL800DERCM3 (2023) GEAR SHIFTING Diagram
#
Description
Price
12
SPRING,GEAR SHIFT CAM STOPPER
25355-18H00
Unavailable
37
WASHER (10X30X1.0)
09160-10047
Unavailable
