- Partiron
- OEM Parts
- Suzuki
- Motorcycle
- 2015
- DL650XAL5 (2015)
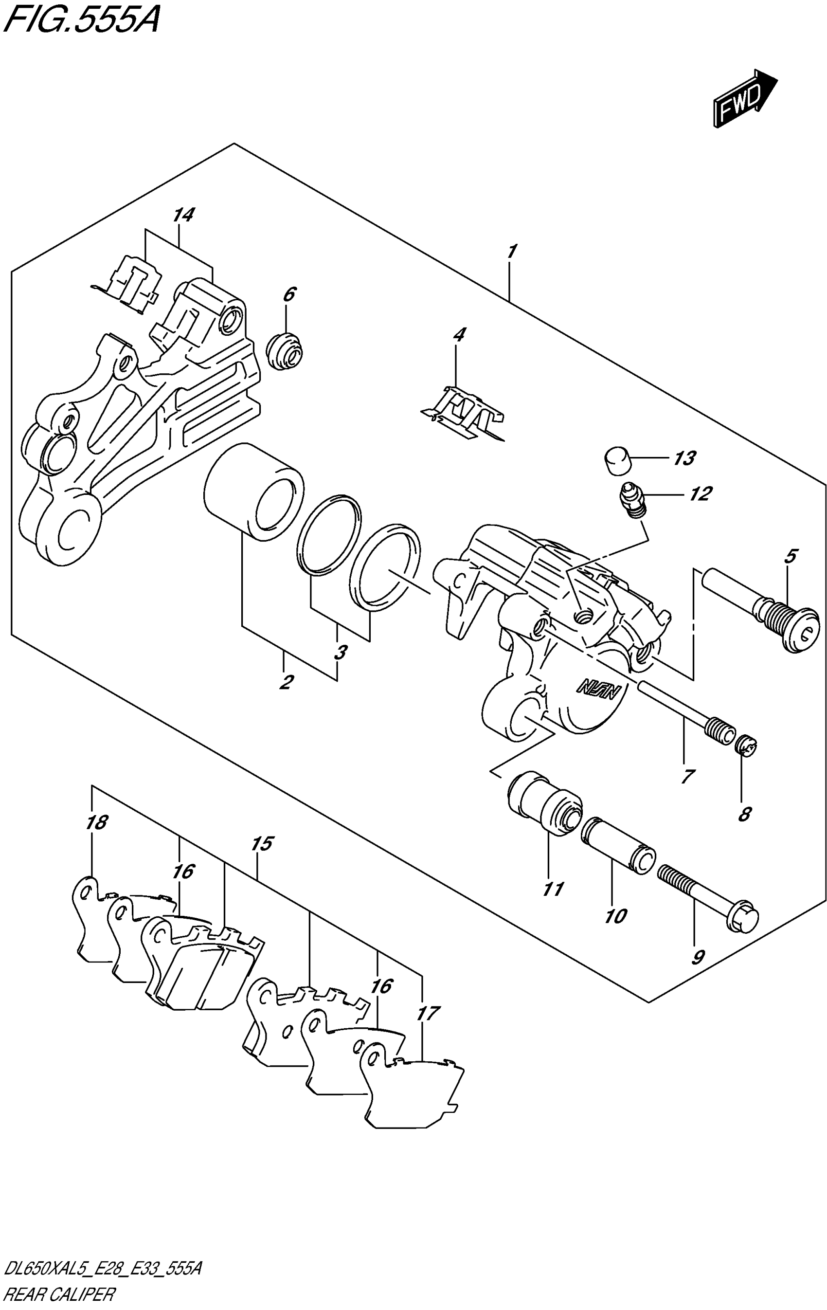
REAR CALIPER
Suzuki DL650XAL5 (2015) REAR CALIPER Diagram
#
Description
Price
14
BRACKET
69150-27G00
Unavailable
REAR CALIPER
#
14
69150-27G00
Unavailable
Edit ride
