Partiron

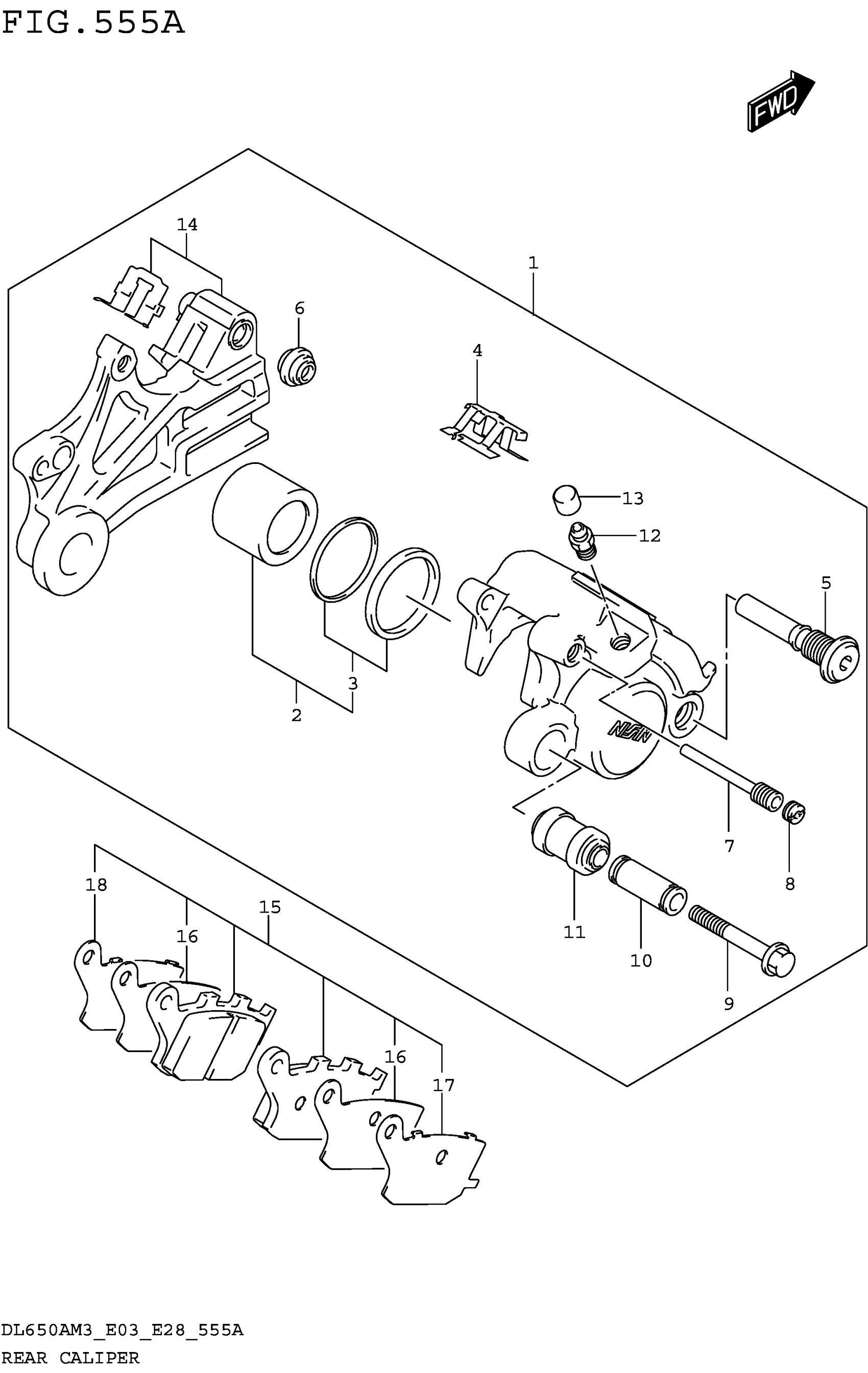
Suzuki DL650AM3 (2023) REAR CALIPER Diagram

#

Description
Price

1

CALIPER ASSY, RR

69100-28K00-999

$327.45

2

.PISTON SET

69100-04810

$47.22

3

..SEAL SET,PISTON

69100-04820

$8.77

4

.SPRING,PAD

69115-06G00

$13.50

5

.PIN,BOLT

59305-36E00

$18.20

6

.BOOT

59303-14500

$5.52

7

.PIN,PAD

69141-40F00

$29.48

8

.PLUG,PIN

59146-21E10

$6.15

9

.BOLT

69182-04F00

$9.07

10

.SLEEVE

69185-04F00

$18.50

11

.BOOT,SLEEVE

69186-04F00

$13.22

12

.BLEEDER

59121-01A00

$8.73

13

.CAP,BLEEDER

59122-46H00

$4.43

14

.BRACKET

69150-28K00

$111.83

15

PAD & RETAINER SET

69100-06830

$63.44

16

.INSULATOR

69132-06G00

$20.80

17

.RETAINER

69133-06G00

$15.75

18

.RETAINER

69134-06G00

$15.45