- Partiron
- OEM Parts
- Suzuki
- Motorcycle
- 2023
- DL650AM3 (2023)
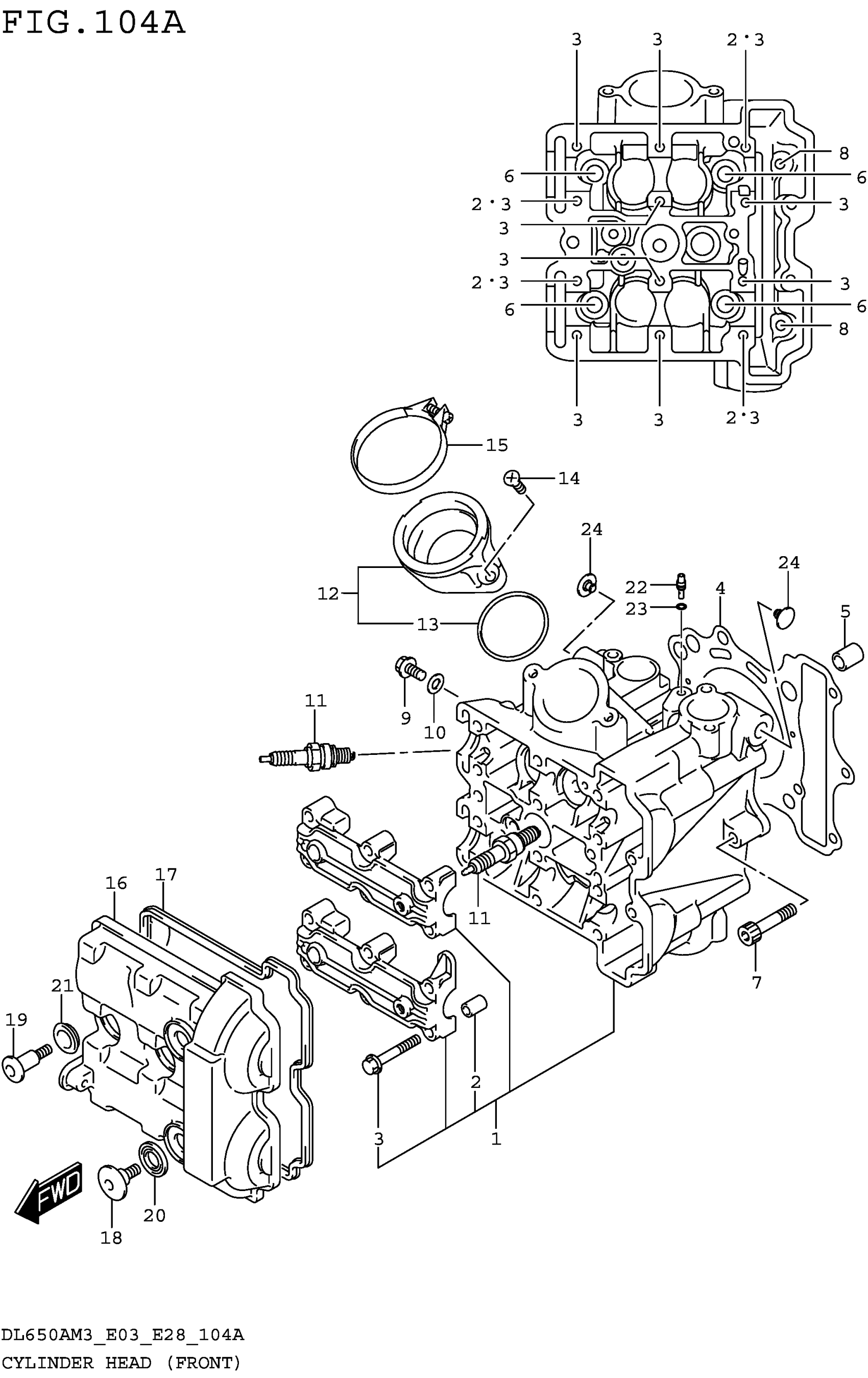
CYLINDER HEAD (FRONT)
Suzuki DL650AM3 (2023) CYLINDER HEAD (FRONT) Diagram
#
Description
Price
1
HEAD ASSY,CYLINDER FRONT
11101-44H01
Unavailable
