Partiron

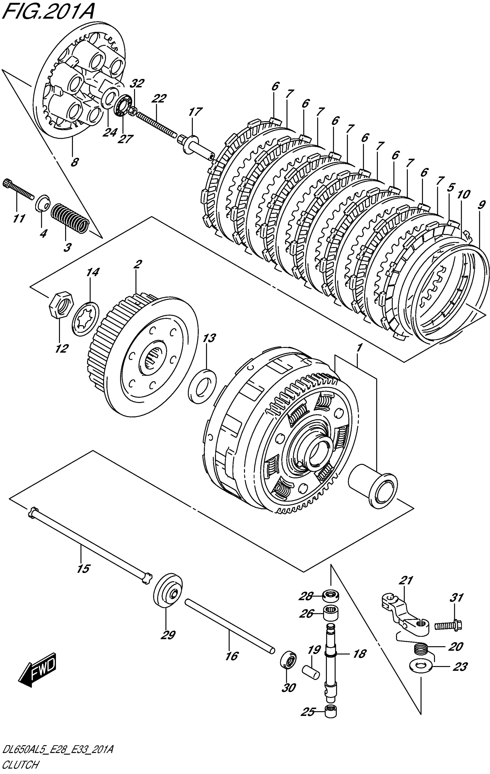
Suzuki DL650AL5 (2015) CLUTCH Diagram

#

Description
Price

1

GEAR ASSY,PRI DRIVEN (NT:71)

21200-44860

$399.87

2

HUB,CLUTCH SLEEVE

21411-44101

$73.22

3

SPRING, CLUTCH

21413-17G10

$7.09

4

WASHER, CLUTCH SPRING

21414-29F00

$6.25

5

PLATE,CLUTCH DRIVE NO.2 (T:3.

21442-29F10

$33.67

6

PLATE,CLUTCH DRIVE (T:3.0)

21441-29F30

$27.69

7

PLATE,CLUTCH DRIVEN (T:1.6)

21451-28C31

$11.81

8

DISC, CLUTCH PRESSURE

21462-14301

$59.33

9

SEAT,WAVE WASHER

21471-17G00

$11.77

10

WASHER,CLUTCH PLATE WAVE

21472-17G00

$21.20

11

BOLT, CLUTCH SPRING

21482-41G10

$3.26

12

NUT

09140-20001

$3.37

13

WASHER (20X36X3)

09160-20067

$9.73

14

LOCK WASHER This part replaces 09167-20006.

09167-20009

$2.03

15

ROD,PUSH,R

23110-44111

$16.20

16

ROD,CLUTCH PUSH,L

23111-15501

$13.30

17

PIECE,CLUTCH PUSH

23121-44H00

$48.83

18

CAMSHAFT,CLUTCH RELEASE

23122-44H00

$63.30

19

CAP, CLUTCH PUSH ROD

23123-41G00

$10.93

20

SPRING, CLUTCH RELEASE RETURN

23125-11J00

$4.03

21

ARM, CLUTCH RELEASE

23271-44H10

Unavailable

22

SCREW (6X73)

09134-06015

$6.88

23

WASHER (10.5X24X1)

09160-10020

$2.05

24

WASHER (15.5X28X1)

09160-15045

$3.89

25

BEARING (10X14X10)

09263-10014

$13.52

26

BEARING (12X18X12)

09263-12027

$7.31

27

BEARING (15X28X2)

09263-15003

$8.29

28

OIL SEAL (10X20X6)

09282-10012

$7.98

29

OIL SEAL (6X34X10.5)

09283-06008

$16.80

30

OIL SEAL (10X17X5)

09285-10004

$3.37

31

BOLT

01547-0620A

$2.03

32

NUT

08310-0006A

$1.84