- Partiron
- OEM Parts
- Suzuki
- Motorcycle
- 2024
- DL1050RJM4 (2024)
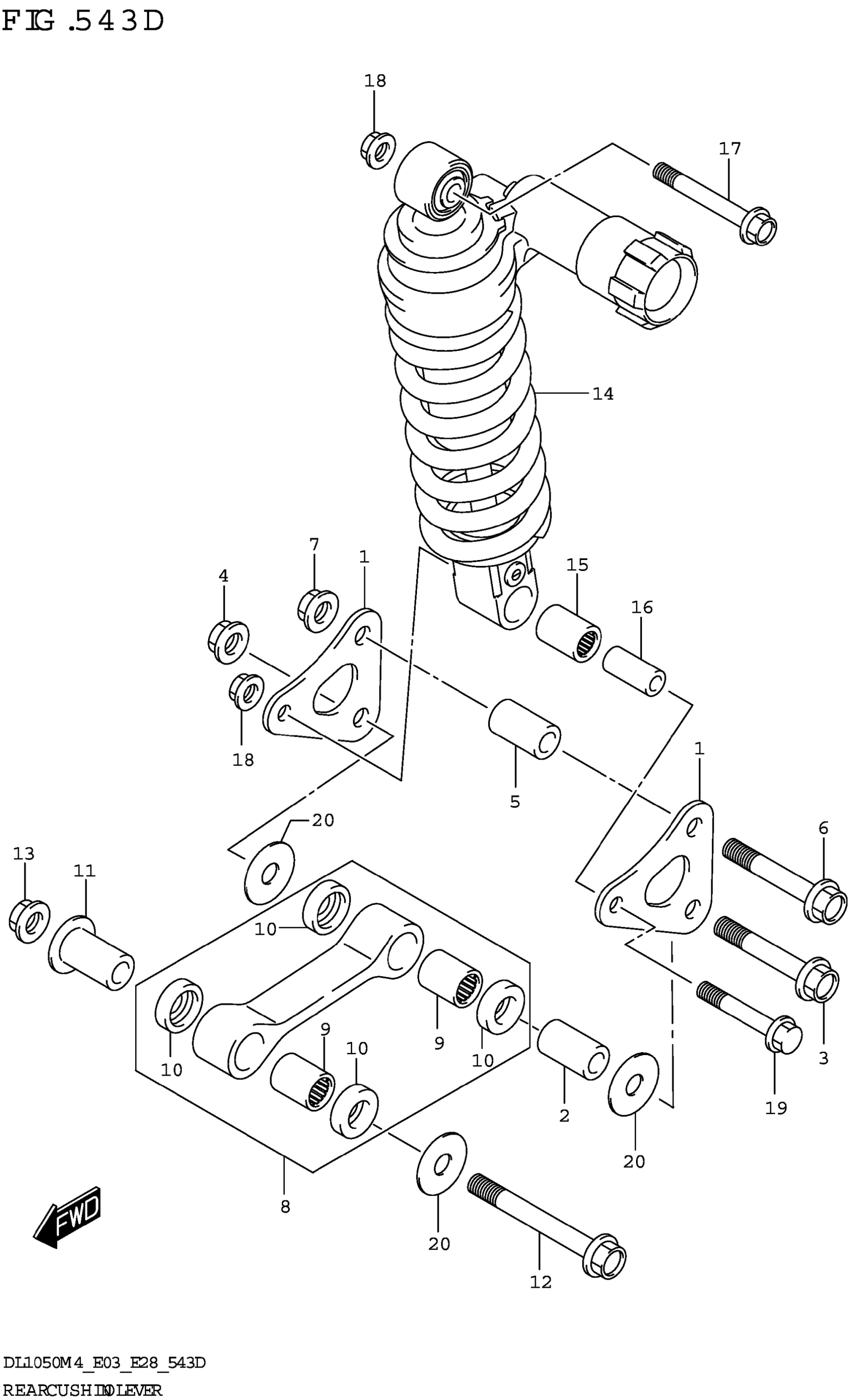
REAR CUSHION LEVER (DL1050RR)
Suzuki DL1050RJM4 (2024) REAR CUSHION LEVER (DL1050RR) Diagram
#
Description
Price
1
LEVER,REAR CUSHION
62611-31J00
Unavailable
9
.BEARING (20X27X20)
09263-20063
Unavailable
