- Partiron
- OEM Parts
- Suzuki
- Motorcycle
- 2024
- DL1050RJM4 (2024)
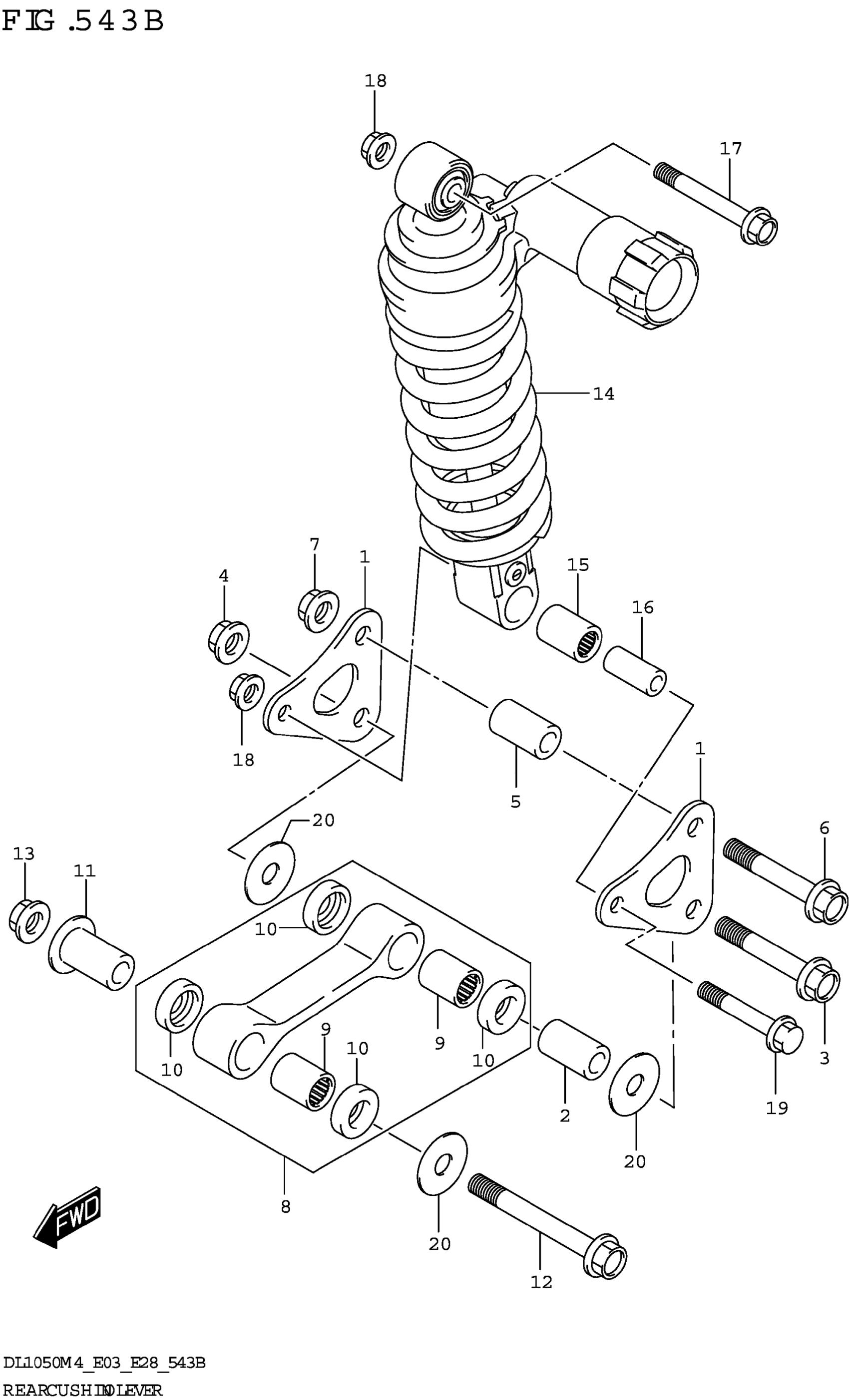
REAR CUSHION LEVER (DL1050RJ)
Suzuki DL1050RJM4 (2024) REAR CUSHION LEVER (DL1050RJ) Diagram
#
Description
Price
9
.BEARING (20X27X20)
09263-20063
Unavailable
