Partiron

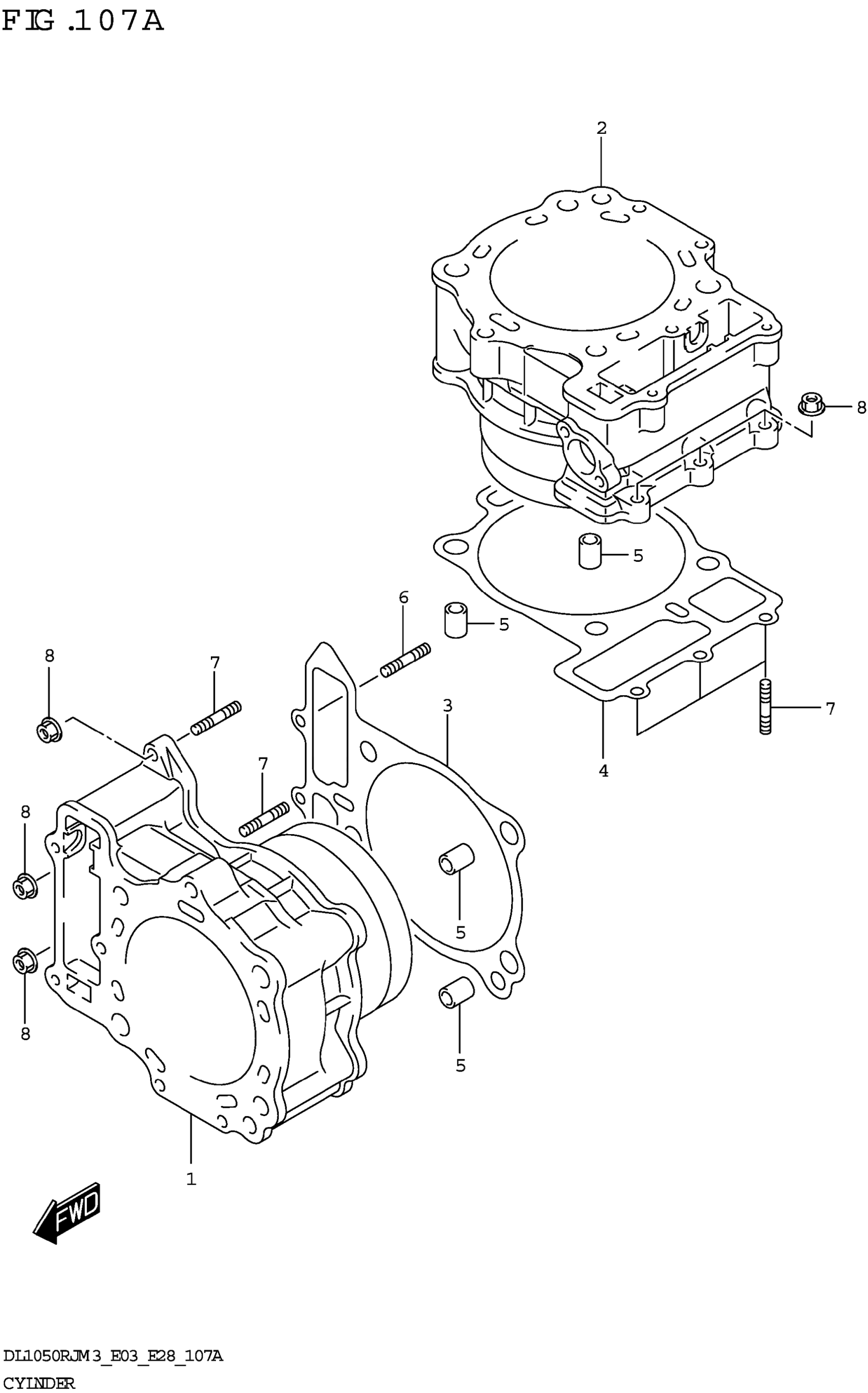
Suzuki DL1050RJM3 (2023) CYLINDER Diagram

#

Description
Price

1

CYLINDER,FRONT

11211-31J10-0F0

$776.97

2

CYLINDER,REAR

11221-31J10-0F0

$768.07

3

.GASKET,CYLINDER FRONT

11241-31J00

$24.32

4

.GASKET,CYLINDER REAR

11242-06L00

$39.02

5

PIN (10.4X13X18)

04211-13189

$2.19

6

BOLT,STUD (L:20)

09108-06124

Unavailable

7

BOLT,STUD

01421-0620A

$1.91

8

NUT

08316-1006B

$2.50