- Partiron
- OEM Parts
- Suzuki
- Motorcycle
- 2023
- DL1050RJM3 (2023)
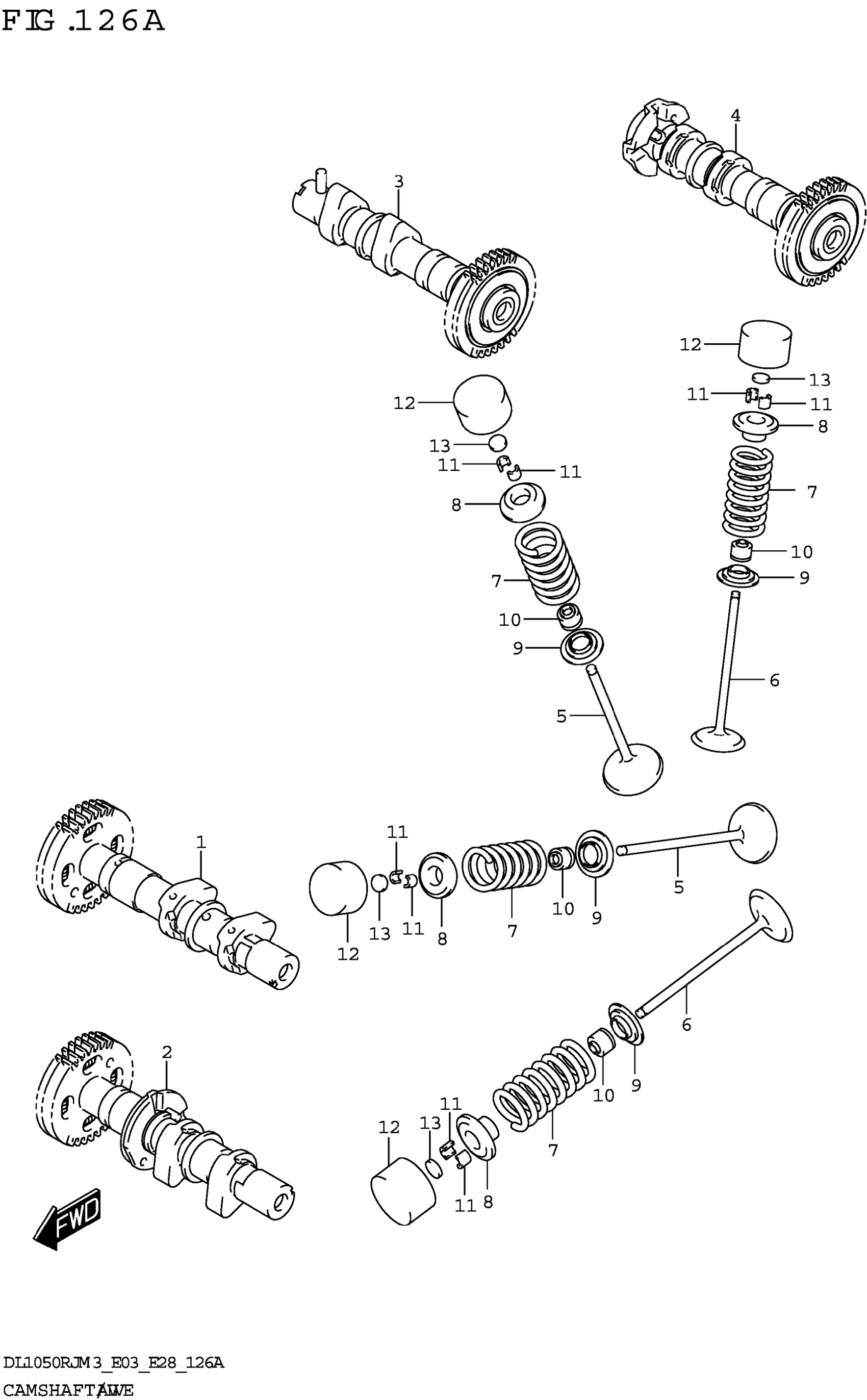
CAMSHAFT/VALVE
Suzuki DL1050RJM3 (2023) CAMSHAFT/VALVE Diagram
#
Description
Price
8
RETAINER,VALVE SPRING
12931-06G00
Unavailable
13-18
SHIM,TAPPET (T:3.15)
12892-41C00-315
Unavailable
13-24
SHIM,TAPPET (T:3.45)
12892-41C00-345
Unavailable
15
.CASE,TAPPET SHIM | OPT,NOT ILLUSTRATED
99000-69471
Unavailable
