- Partiron
- OEM Parts
- Suzuki
- Motorcycle
- 2022
- DL1050RCM2 (2022)
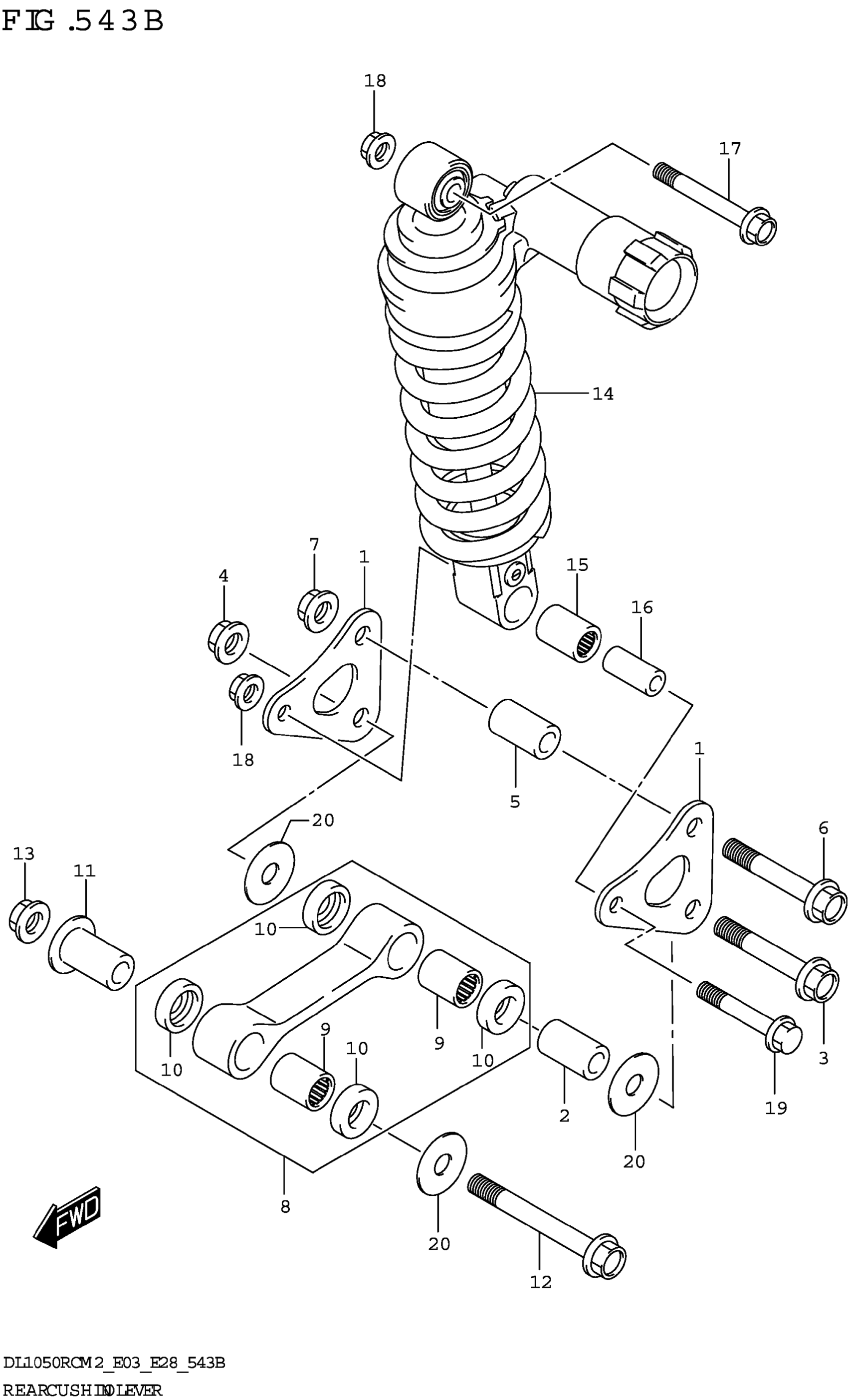
REAR CUSHION LEVER
Suzuki DL1050RCM2 (2022) REAR CUSHION LEVER Diagram
#
Description
Price
1
LEVER,REAR CUSHION
62611-31J00
Unavailable
9
.BEARING (20X27X20)
09263-20063
Unavailable
