Partiron

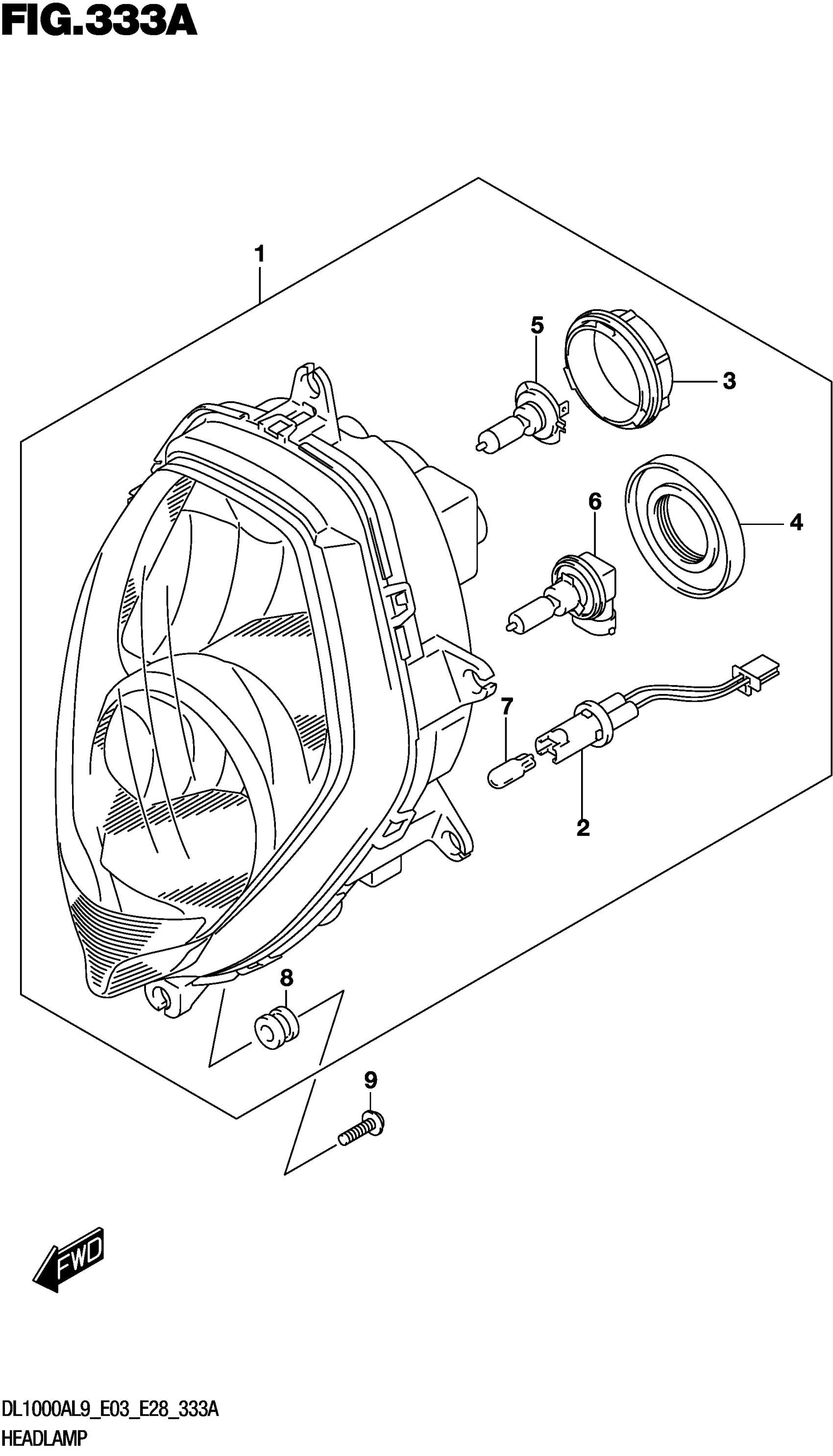
Suzuki DL1000AL9 (2019) HEADLAMP Diagram

#

Description
Price

1

HEADLAMP ASSY

35100-31J01

$530.12

2

.CORD ASSY

35171-31J00

$26.60

3

.COVER

35179-31J00

$25.62

4

.SEAL COVER

35142-31J00

Unavailable

5

BULB (12V55W H7)

09471-12188

$22.60

6

BULB (12V65W)

09471-12222

$83.53

7

.BULB (12V5W)

09471-12216

$5.36

8

.CUSHION

09320-07014

$3.89

9

SCREW (5X15)

09136-05062

$2.19