- Partiron
- OEM Parts
- Suzuki
- Motorcycle
- 2018
- DL1000AL8 (2018)
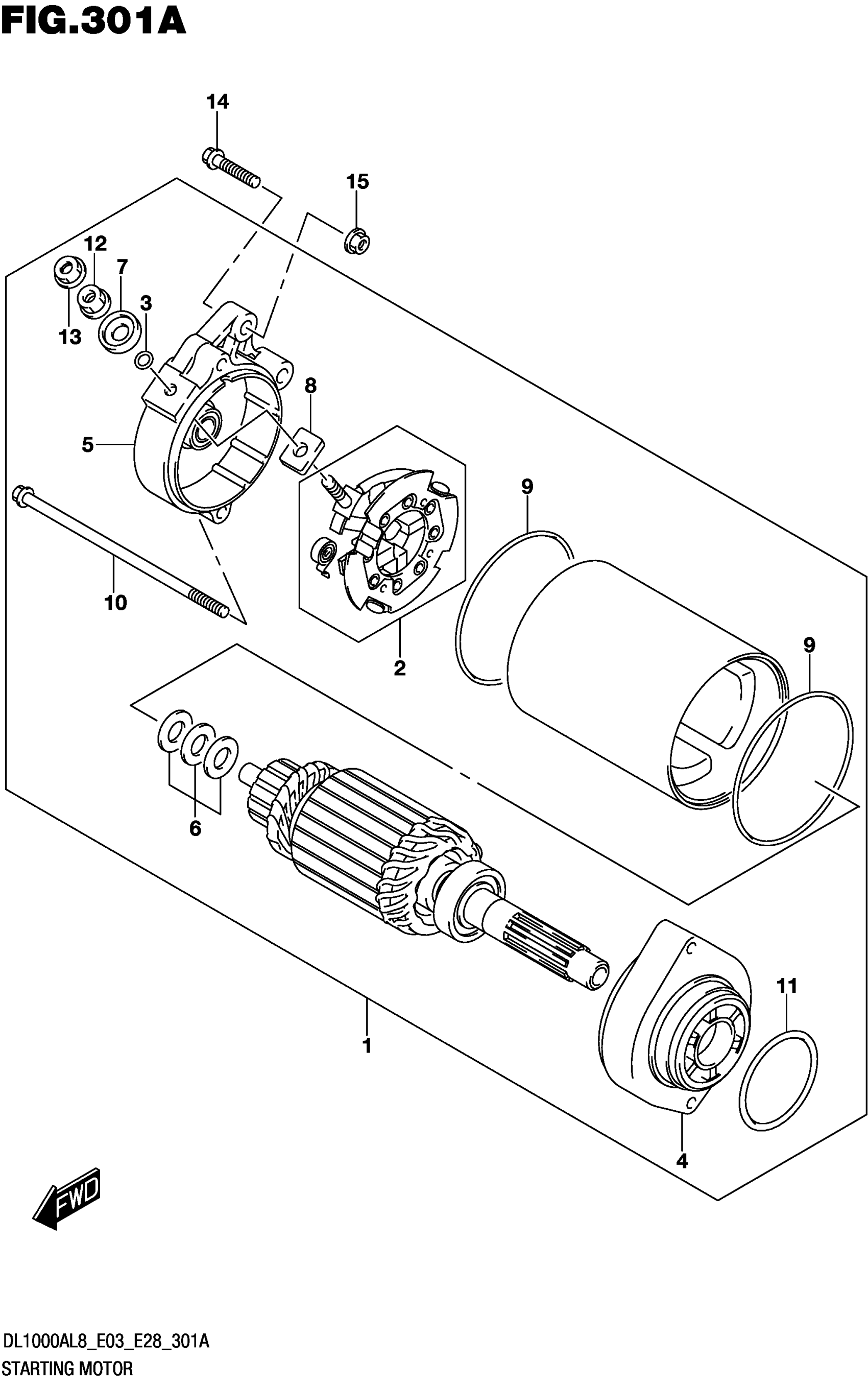
STARTING MOTOR
Suzuki DL1000AL8 (2018) STARTING MOTOR Diagram
#
Description
Price
4
.HOUSING
31150-44B10
Unavailable
5
.FRAME
31170-02F10
Unavailable
6
.SHIM SET
31170-43400
Unavailable
8
.BUSHING
31173-88C00
Unavailable
