- Partiron
- OEM Parts
- Suzuki
- Motorcycle
- 2015
- DL1000AL5 (2015)
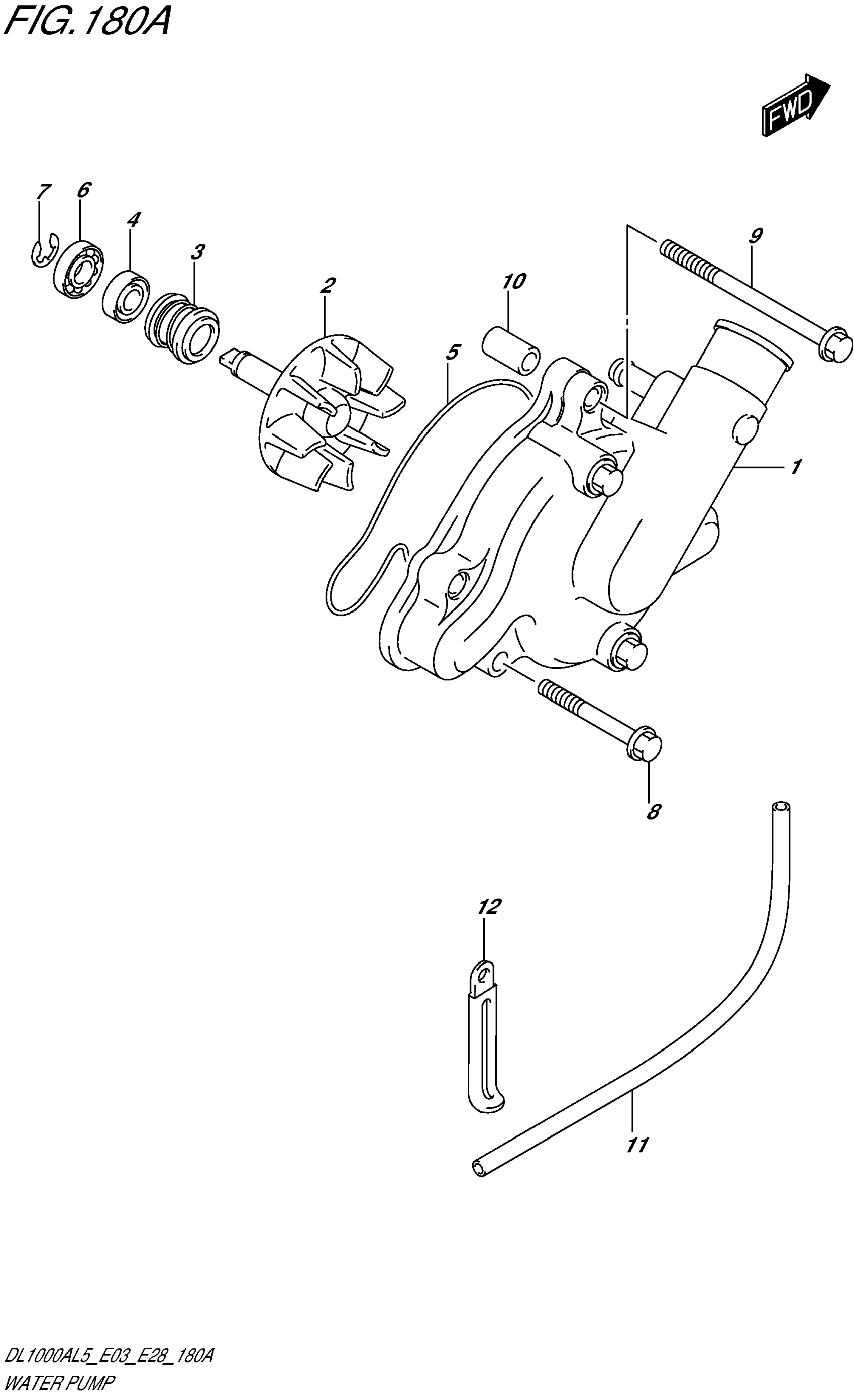
WATER PUMP
Suzuki DL1000AL5 (2015) WATER PUMP Diagram
#
Description
Price
1
CASE, WATER PUMP
17410-31J10
Unavailable
WATER PUMP
#
1
17410-31J10
Unavailable
Edit ride
