- Partiron
- OEM Parts
- Suzuki
- Motorcycle
- 2015
- DL1000AL5 (2015)
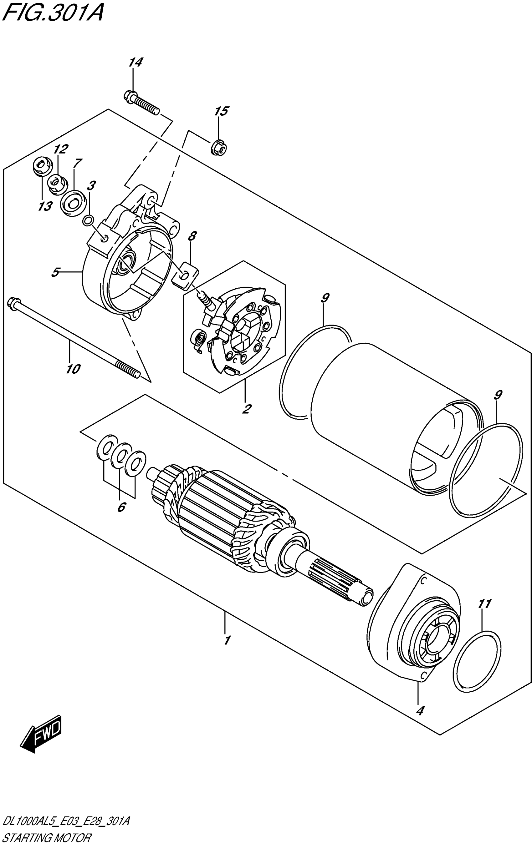
STARTING MOTOR
Suzuki DL1000AL5 (2015) STARTING MOTOR Diagram
#
Description
Price
4
HOUSING
31150-44B10
Unavailable
5
FRAME
31170-02F10
Unavailable
6
SHIM SET
31170-43400
Unavailable
8
BUSHING
31173-88C00
Unavailable
