- Partiron
- OEM Parts
- Suzuki
- Motorcycle
- 2015
- DL1000AL5 (2015)
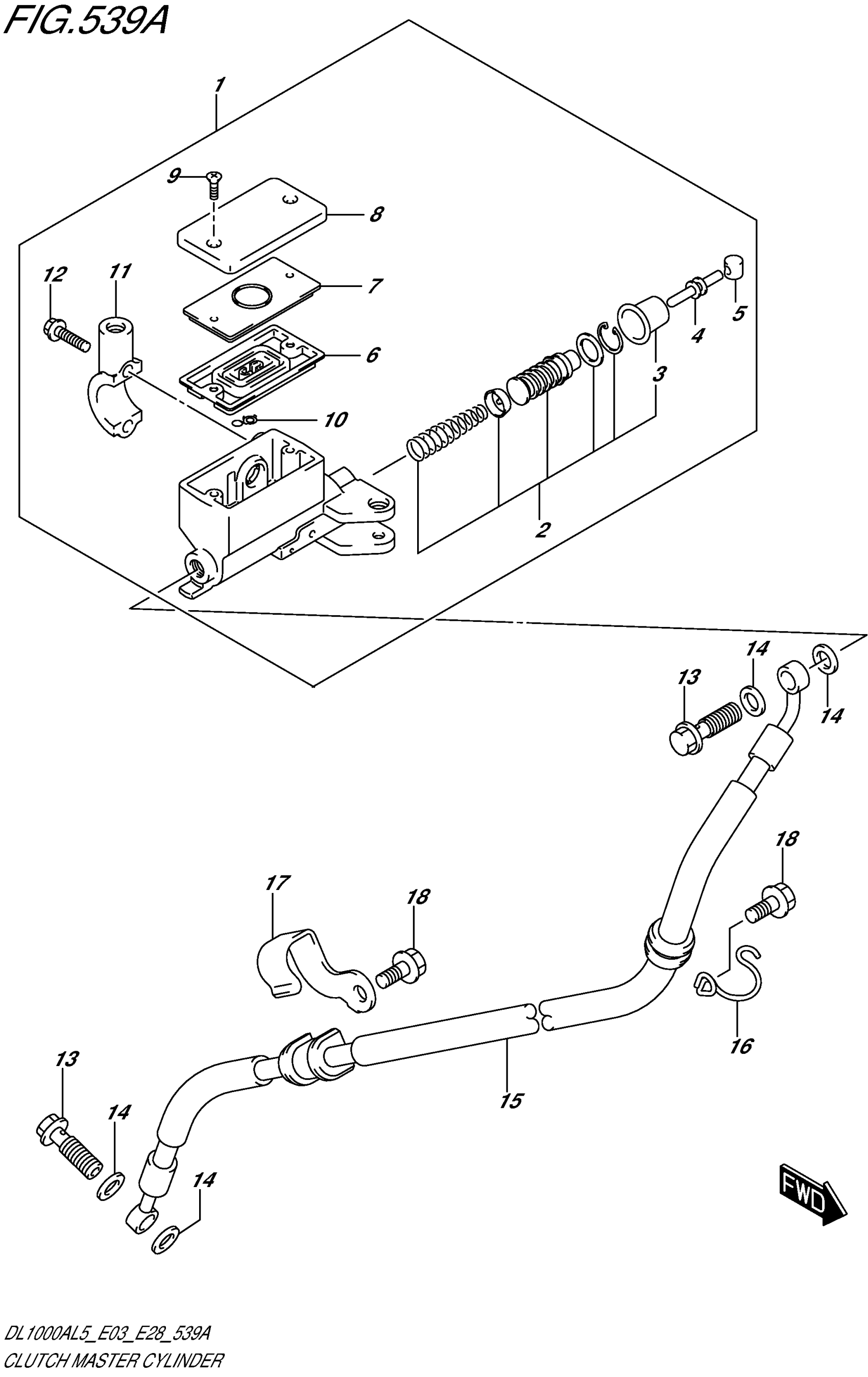
CLUTCH MASTER CYLINDER
Suzuki DL1000AL5 (2015) CLUTCH MASTER CYLINDER Diagram
#
Description
Price
15
HOSE, CLUTCH
59910-31J00
Unavailable
16
CLAMP, CLUTCH HOSE NO.1
59915-31J00
Unavailable
17
CLAMP, CLUTCH HOSE NO.2
59921-31J00
Unavailable
