- Partiron
- OEM Parts
- Suzuki
- Motorcycle
- 2006
- DL1000 (2006)
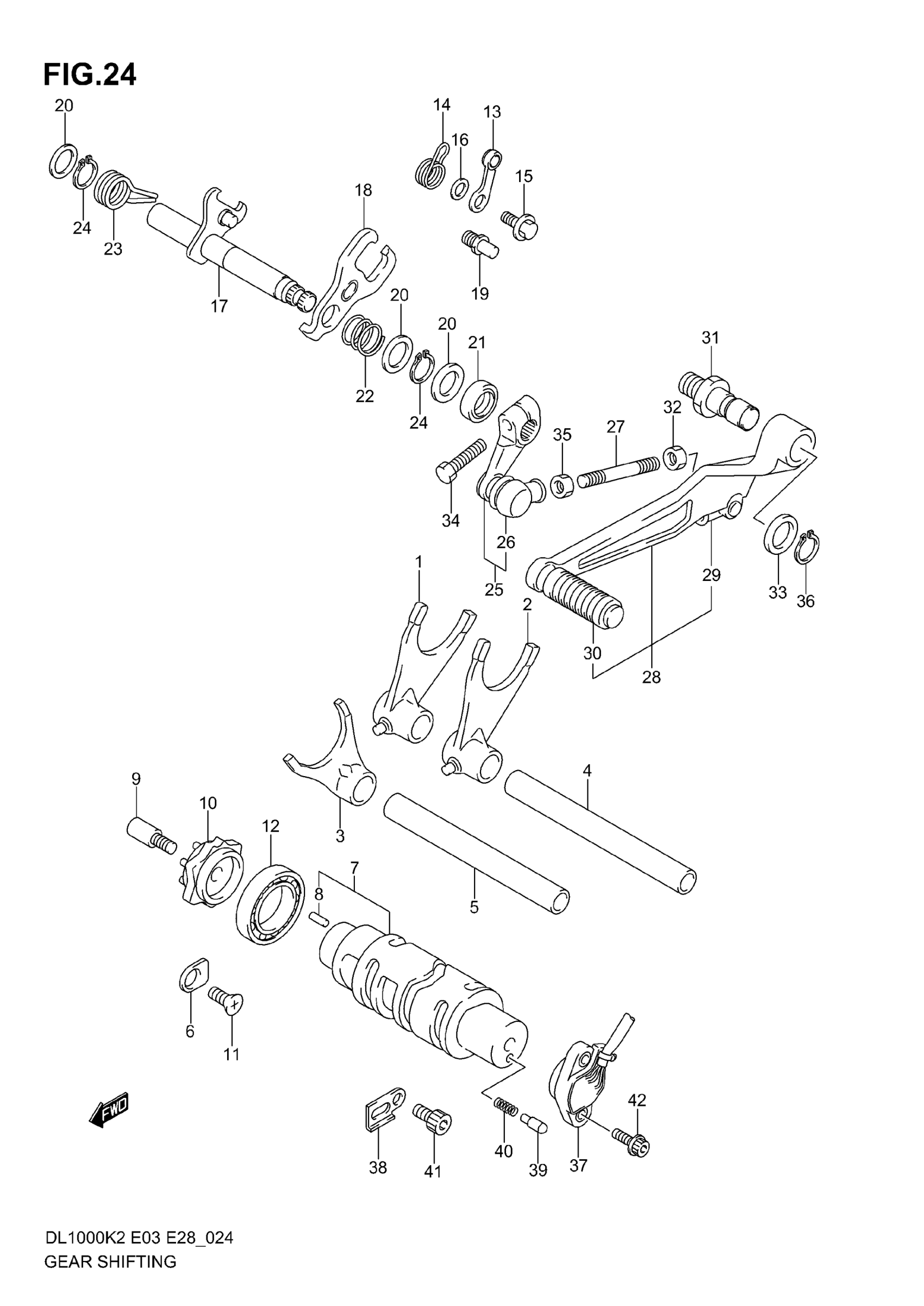
GEAR SHIFTING
Suzuki DL1000 (2006) GEAR SHIFTING Diagram
#
Description
Price
7
CAM, GEAR SHIFT | Includes Item(s) 8
25310-02F10
Unavailable
14
SPRING, SHIFT CAM STOPPER | MODEL K2/K3 This part replaces 25355-13E00.
25355-13E10
Unavailable
28
LEVER ASSY,GEAR | MODEL K4/K5/K6; Includes Item(s) 29 - 30 This part replaces 25600-06G10.
25600-06G12
$124.03
