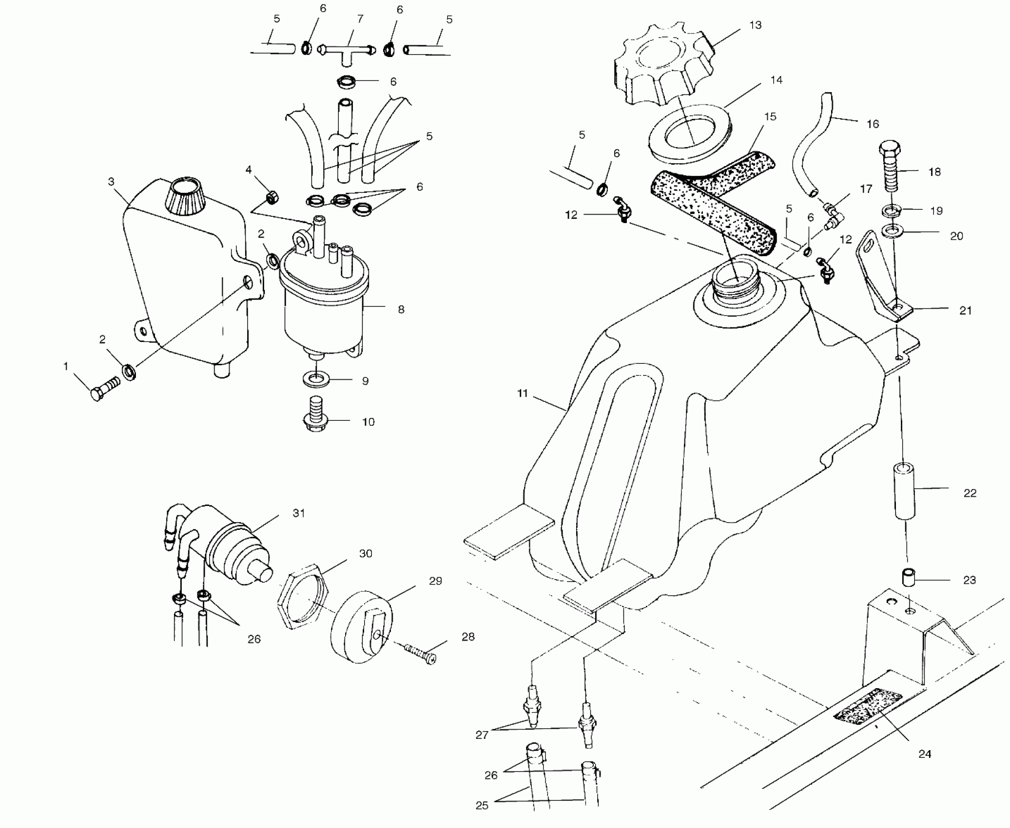
Polaris DIESEL - A99CH45CA FUEL TANK - A99CH45IA (4949154915A014) Diagram
#
Description
Price
2
WSHR-.194X.475X.049 ZTB
7555746
Unavailable
2
WSHR-.194X.475X.049 ZTB
7555746
Unavailable
3
Tank, Surge
-------
Unavailable
5
FUEL LINE,3/16 ID(600 CM.)
8450042-600
Unavailable
5
FUEL LINE,3/16 ID(600 CM.)
8450042-600
Unavailable
5
FUEL LINE,3/16 ID(600 CM.)
8450042-600
Unavailable
5
FUEL LINE,3/16 ID(600 CM.)
8450042-600
Unavailable
5
FUEL LINE,3/16 ID(600 CM.)
8450042-600
Unavailable
8
FUEL,FILTER,ASM. *
3086088
Unavailable
11
TANK,FUEL (See Footnote) (Incl. 12,17,27) (No Reserve System)
1240056
Unavailable
11
FUELTANK ASM,DIESEL (See Footnote) (Incl. 12,17,27)(Reserve System)
2511332
Unavailable
15
SEAL-FOAM,21 IN
5811310
Unavailable
16
FUEL LINE,1/8 ID,600 CM.
8360009-600
Unavailable
21
BRKT,LH.R.FUELCOVER,BLK.
5222154-067
Unavailable
21
BRKT,RH.R.FUELCOVER,BLK.
5222155-067
Unavailable
22
Spacer
5332457
Unavailable
24
PAD,FUELTANK BRKT. Substituted by 8360026
5810317
Unavailable
25
FUEL LINE,1/4 ID(600 CM.)
8450040-600
Unavailable
27
FITTING-FUEL OUTLET (See Footnote) (Reserve System requires 2, No Reserve System, 1.)
7052246
Unavailable
30
NUT,FUELVALVE,ATV
5432733
Unavailable
31
VALVE,3-WAY,DOWN PORTS (Reserve System)
7052155
Unavailable
