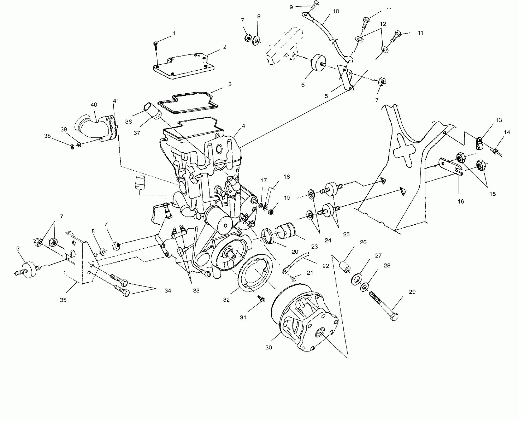
Polaris DIESEL - A99CH45CA ENGINE MOUNTING - A99CH45IA (4949154915A012) Diagram
#
Description
Price
1
Bolt (See Cylinder Pg. D8, Ref. 5)
-------
Unavailable
2
Cover, Governor (See Cylinder Pg. D8, Ref. 6)
-------
Unavailable
3
Gasket, Cover (See Cylinder Pg. D8, Ref. 7)
-------
Unavailable
4
ENG.DW46 [No Longer Available] (DW46PLE01)
3085825
Unavailable
5
MOUNT,ENG,TOP,BLK
5241453-067
Unavailable
6
MOUNT,RUBBER,TOP
3110044
Unavailable
6
MOUNT,RUBBER,TOP
3110044
Unavailable
10
CABLE,GND-ENGINE
4010132
Unavailable
16
STRAP,FRAME SUPPORT,BLK
5224658-067
Unavailable
25
MOUNT,RUBBER,FRONT
3110046
Unavailable
30
Asm., Drive Clutch, ATV-06 (See Footnote) (See Drive Clutch Pg. C2, Ref. 16)
-------
Unavailable
32
Bracket, Retainer, Seal (See Footnote) (See Clutch Cover Pg. C4, Ref. 23)
-------
Unavailable
35
MOUNT,FR.ENGINE,BLK.
5241150-067
Unavailable
37
HOSE,3/4X22"
5411410
Unavailable
38
NUT(10)
3080285
Unavailable
40
MANIFOLD,BLK
1260920-029
Unavailable
41
Gasket, Exhaust (See Cylinder Pg. D8, Ref. 30)
-------
Unavailable
