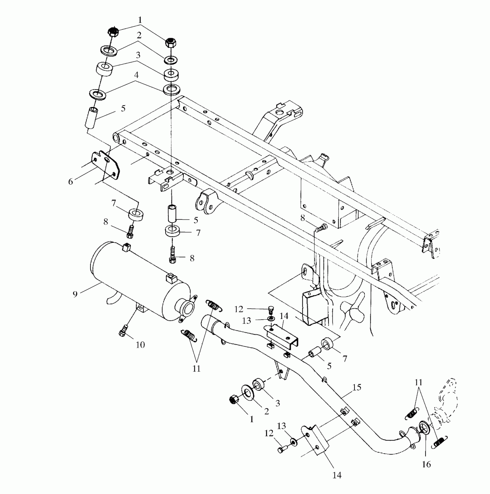
Polaris DIESEL - A00CH46CA EXHAUST SYSTEM - A00CH46CA (4954785478A013) Diagram
#
Description
Price
6
Bracket, Silencer, Frame (See Rear Rack Mounting Pg. A8, Ref. 8)
-------
Unavailable
7
DAMPENER
5410241
Unavailable
7
DAMPENER
5410241
Unavailable
7
DAMPENER
5410241
Unavailable
9
SILENCER,EXH,BLK.
1260715-029
Unavailable
14
SHIELD,HEAT,EXHAUST
5241678
Unavailable
14
SHIELD,HEAT,EXHAUST
5241678
Unavailable
15
EXHAUST PIPE,BLK
1260919-029
Unavailable
