- Partiron
- OEM Parts
- Polaris
- ATV
- 2000
- DIESEL - A00CH46CA
ELECTRICAL/TAILLIGHT - A00CH46CA (4954785478C005)
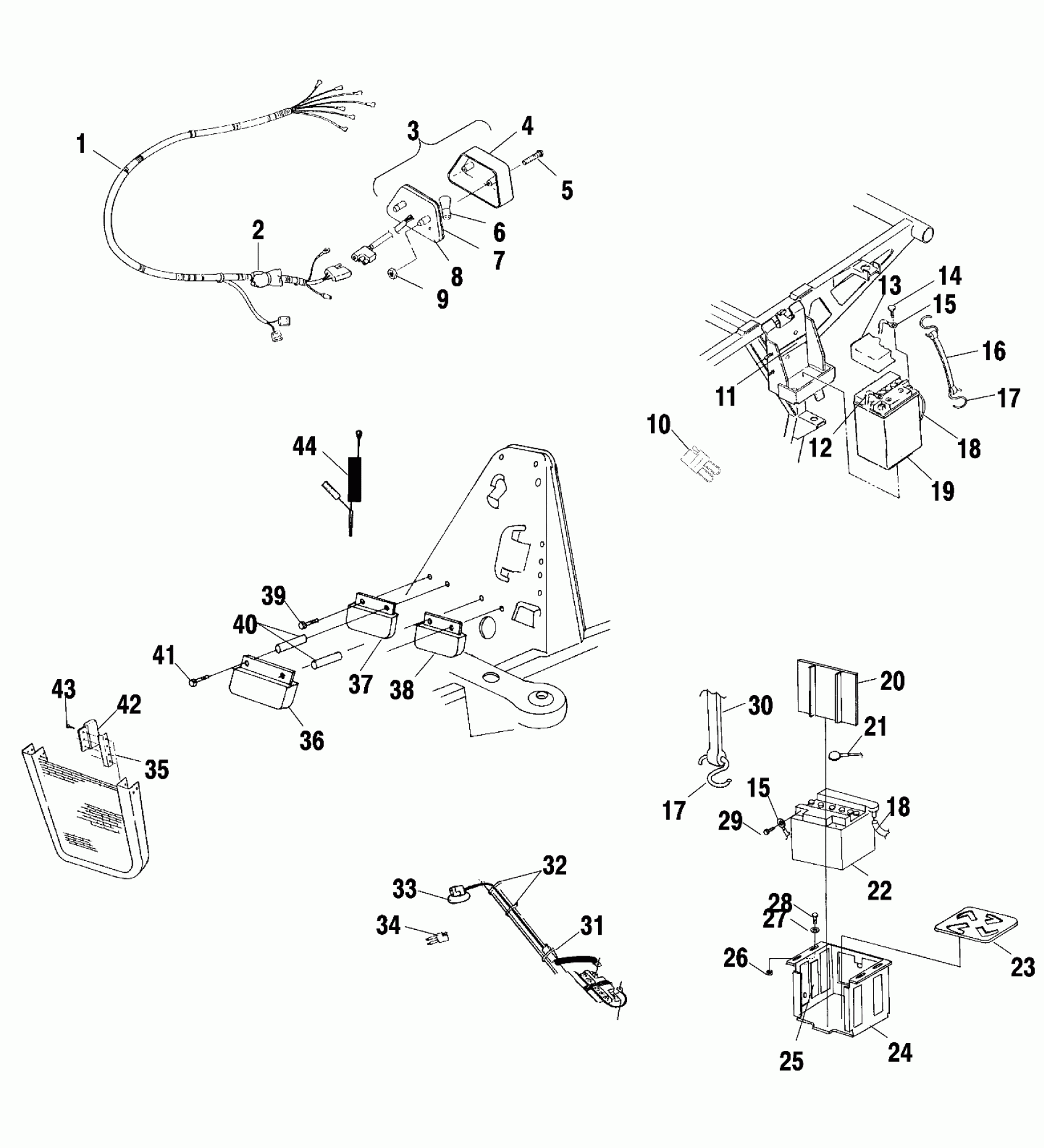
Polaris DIESEL - A00CH46CA ELECTRICAL/TAILLIGHT - A00CH46CA (4954785478C005) Diagram
#
Description
Price
1
HARNESS-MAIN,DIESEL
2460763
Unavailable
16
STRAP,BATTERY HOLDDOWN
5410424
Unavailable
18
TUBE,BATTERY VENT
5432077
Unavailable
18
TUBE,BATTERY VENT
5432077
Unavailable
22
BATTERY,30 AMP
4140012
Unavailable
24
BOX,BATTERY,BLK
1040665-067
Unavailable
25
PAD,BATTERY,SIDE
5811651
Unavailable
30
STRAP,BATT.HOLD-DOWN
5411456
Unavailable
33
POWER ASM,12V
2410022
Unavailable
35
HEATSINK RECT.
5131036
Unavailable
37
CUTOFF,LR58,12VDC,(ALT.OPR)
4060202
Unavailable
38
LIMITER-RPM,270HZ,LR406
4010236
Unavailable
40
Spacer
5020864
Unavailable
44
HARNESS-RESISTOR-333 OHM
2460741
Unavailable
