- Partiron
- OEM Parts
- Polaris
- Motorcycle
- VIC
- 2002
- DELUXE CRUISER ALL OPTIONS - V02CD16
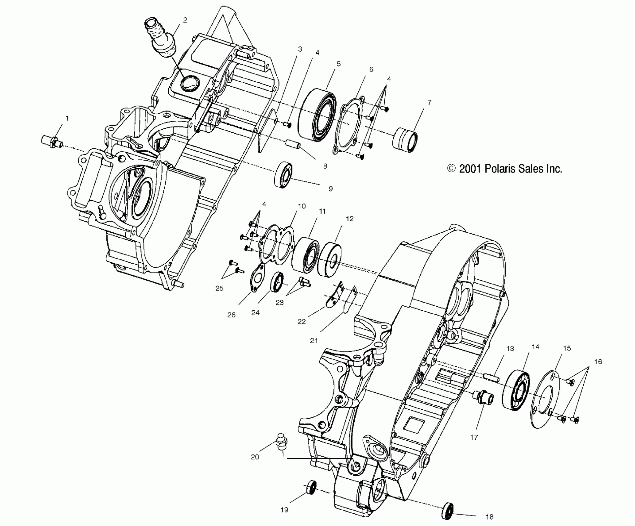
ENGINE, CRANKCASE BEARINGS - V02CD16/ALL OPTIONS (4976287628C10)
Polaris DELUXE CRUISER ALL OPTIONS - V02CD16 ENGINE, CRANKCASE BEARINGS - V02CD16/ALL OPTIONS (4976287628C10) Diagram
#
Description
Price
2
Fitting, Breather
5132270
Unavailable
3
PLATE, BREATHER BAFFLE
5131792
Unavailable
5
Bearing
3513515
Unavailable
11
Bearing, Ball, Double Row
3513524
Unavailable
13
PIN, SOLID
7661101
Unavailable
14
Bearing, Ball
3514404
Unavailable
15
PLATE, RETAINING, BEARING [BALANCE]
5211773
Unavailable
17
ADAPTOR, SHIFT SHAFT
5132139
Unavailable
18
BEARING, BALL
3513518
Unavailable
19
BEARING, BALL
3514313
Unavailable
20
Fitting, Oil Line
7052186
Unavailable
21
PLATE, REED VALVE
5131793
Unavailable
22
PLATE, REED BACKER
5131791
Unavailable
24
BEARING, BALL
3513511
Unavailable
25
SCREW
7517797
Unavailable
26
PLATE, BEARING
5244477
Unavailable
