- Partiron
- OEM Parts
- Honda
- MOTORCYCLE
- 1982
- CX500TCA (82) 500 TURBO, JPN, VIN# JH2PC030-CM000017
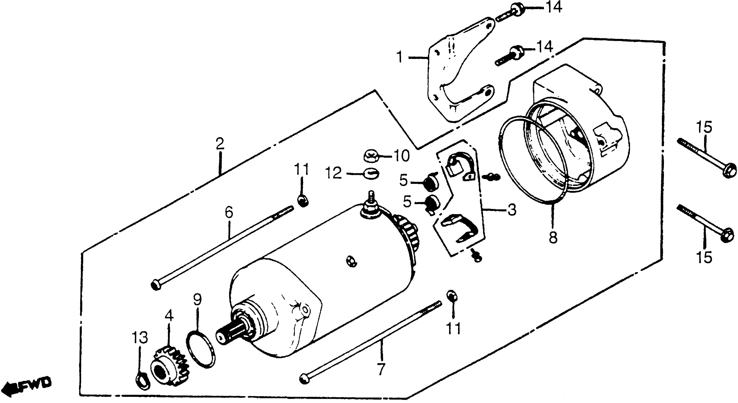
STARTER MOTOR
Honda CX500TCA (82) 500 TURBO, JPN, VIN# JH2PC030-CM000017 STARTER MOTOR Diagram
#
Description
Price
1
STAY, STARTER MOTOR
11312-MC7-000
Unavailable
2
STARTER MOTOR ASSY. This part replaces 31200-449-008.
31200-449-405
Unavailable
4
GEAR, STARTER MOTOR (27T) (NOT AVAILABLE)
31201-415-000
Unavailable
6
BOLT, STARTER MOTOR COVER
31205-413-780
Unavailable
7
BOLT, STARTER MOTOR COVER
31205-413-780
Unavailable
7
BOLT, STARTER MOTOR COVER This part replaces 31205-449-008.
31205-413-780
Unavailable
8
O-RING (60X1.4)
31206-402-008
Unavailable
8
O-RING (60X1.4) This part replaces 31206-415-000.
31206-402-008
Unavailable
