- Partiron
- OEM Parts
- Honda
- MOTORCYCLE
- 1980
- CX500DA (80) DELUXE, JPN, VIN# PC01-4100002 TO PC01-4107865
FRONT FORK 80
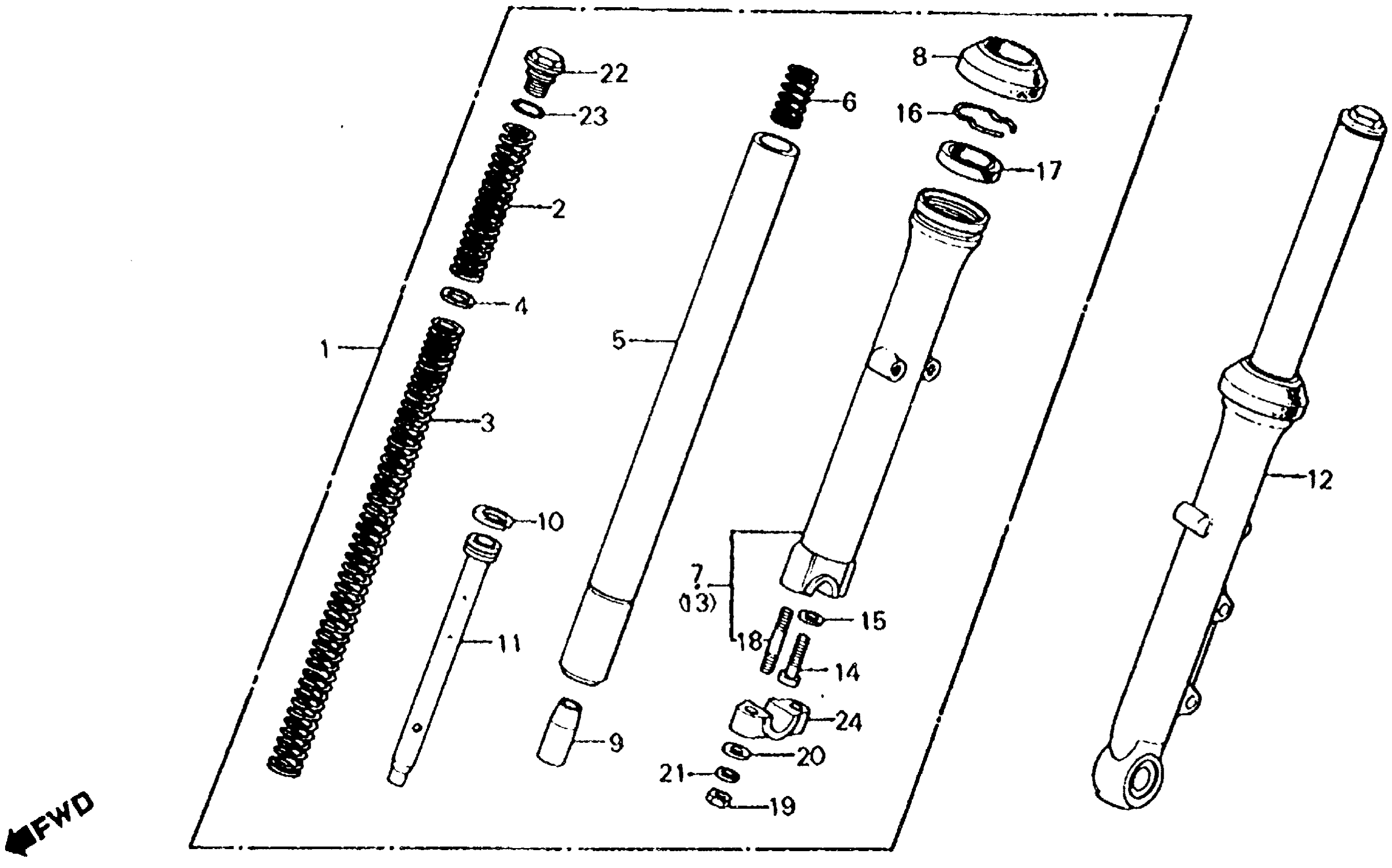
Honda CX500DA (80) DELUXE, JPN, VIN# PC01-4100002 TO PC01-4107865 FRONT FORK 80 Diagram
#
Description
Price
1
FORK ASSY., R. FR. (SHOWA) (NOT AVAILABLE) This part replaces 51400-415-003.
51400-415-023
Unavailable
1
FORK ASSY., R. FR. (SHOWA) (NOT AVAILABLE) This part replaces 51400-415-013.
51400-415-023
Unavailable
1
FORK ASSY., R. FR. (SHOWA) (NOT AVAILABLE)
51400-415-023
Unavailable
2
SPRING A, FR. FORK (SHOWA) (NOT AVAILABLE)
51401-415-003
Unavailable
3
SPRING B, FR. FORK (SHOWA) (NOT AVAILABLE)
51402-415-003
Unavailable
4
PLATE, SPRING JOINT (NOT AVAILABLE)
51403-362-010
Unavailable
5
PIPE, FR. FORK (SHOWA) (NOT AVAILABLE)
51410-415-003
Unavailable
7
CASE, R. (LOWER) (NOT AVAILABLE) This part replaces 51421-413-003.
51421-413-023
Unavailable
7
CASE, R. (LOWER)
51421-413-013
Unavailable
7
CASE, R. (LOWER) (NOT AVAILABLE)
51421-413-023
Unavailable
10
RING, PISTON
51437-373-781
Unavailable
11
PIPE, SEAT (SHOWA) (NOT AVAILABLE)
51470-415-003
Unavailable
12
FORK ASSY., L. FR. (SHOWA)
51500-415-003
Unavailable
13
CASE, L. (LOWER) This part replaces 51521-449-003.
51521-449-023
Unavailable
13
CASE, L. (LOWER) This part replaces 51521-449-013.
51521-449-023
Unavailable
13
CASE, L. (LOWER)
51521-449-023
Unavailable
