- Partiron
- OEM Parts
- Honda
- MOTORCYCLE
- Models With No Year
- CT90K2A MOTORCYCLE, JPN, VIN# CT90-300000
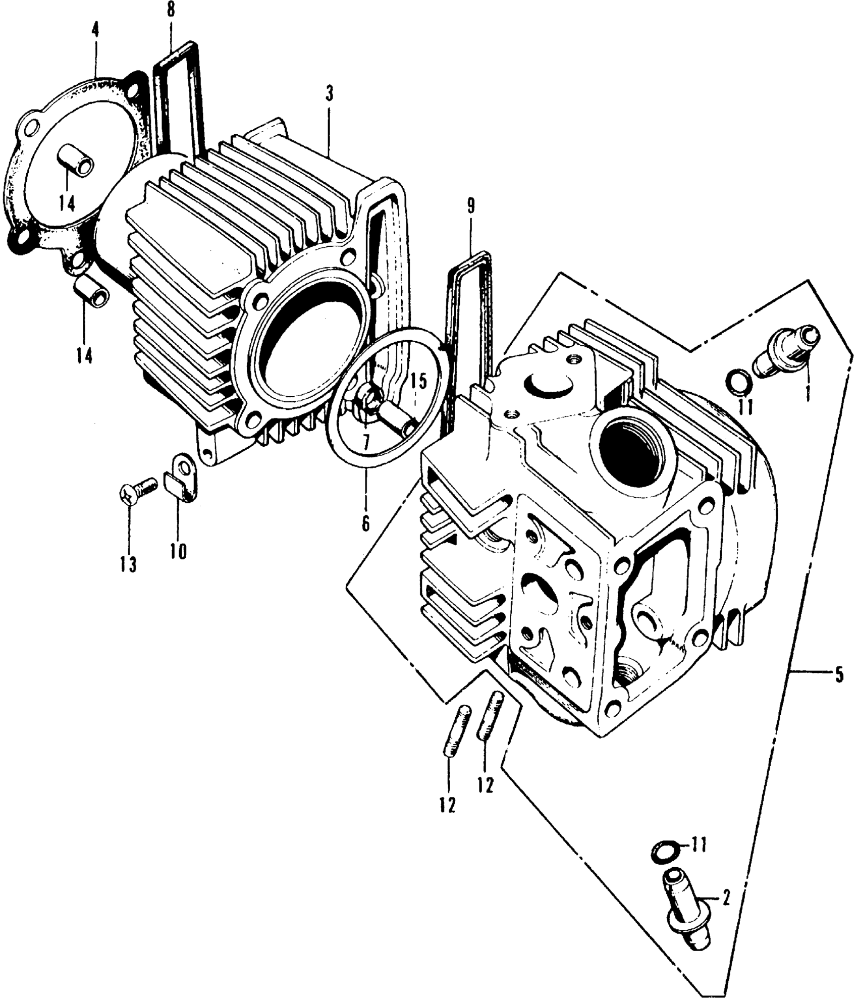
CYLINDER + CYLINDER HEAD
Honda CT90K2A MOTORCYCLE, JPN, VIN# CT90-300000 CYLINDER + CYLINDER HEAD Diagram
#
Description
Price
1
GUIDE, VALVE This part replaces 12021-VM6-000.
12021-943-000
Unavailable
1
GUIDE, VALVE This part replaces 12021-028-340.
12021-943-000
Unavailable
1
GUIDE, VALVE
12021-943-000
Unavailable
1
GUIDE, VALVE This part replaces 12201-028-340.
12021-943-000
Unavailable
3
CYLINDER (NOT AVAILABLE) | Use up to Engine SN 331930 This part replaces 12100-028-120.
12100-028-150
Unavailable
3
CYLINDER (NOT AVAILABLE) | Use from Engine SN 339131
12100-028-150
Unavailable
3
CYLINDER (NOT AVAILABLE) | Use from Engine SN 339131 This part replaces 12100-056-670.
12100-028-150
Unavailable
5
CYLINDER HEAD (NOT AVAILABLE)
12200-028-120
Unavailable
5
CYLINDER HEAD (NOT AVAILABLE) | Use up to Engine SN 234851
12200-053-010
Unavailable
6
GASKET, CYLINDER HEAD
12251-028-030
Unavailable
9
GASKET B, CAM CHAIN CHAMBER | Use up to Engine SN 1416704 This part replaces 12902-028-020.
12902-121-710
$30.85
10
CLIP, IGNITION WIRE (NOT AVAILABLE)
32906-011-010
Unavailable
