- Partiron
- OEM Parts
- Honda
- MOTORCYCLE
- Models With No Year
- CT70K1A MOTORCYCLE, JPN, VIN# CT70-2000001
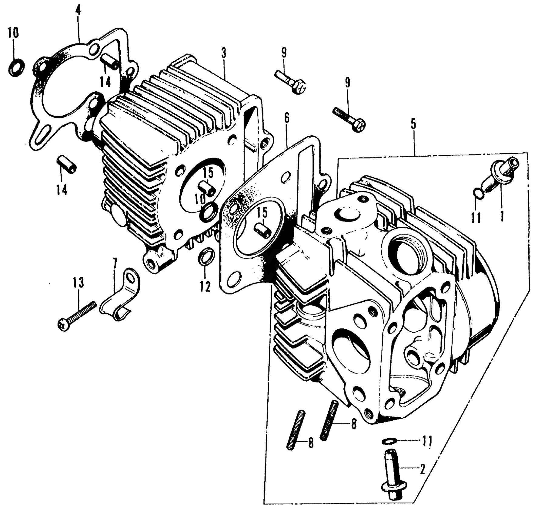
CYLINDER + CYLINDER HEAD
Honda CT70K1A MOTORCYCLE, JPN, VIN# CT70-2000001 CYLINDER + CYLINDER HEAD Diagram
#
Description
Price
1
GUIDE, VALVE This part replaces 12021-035-811.
12023-035-405
Unavailable
1
GUIDE, VALVE
12023-035-405
Unavailable
2
GUIDE, EX. VALVE | Use up to Engine SN 2109800 This part replaces 12023-051-310.
12023-051-320
Unavailable
2
GUIDE, EX. VALVE | Use up to Engine SN 2109800
12023-051-320
Unavailable
2
GUIDE, EX. VALVE
12023-051-320
Unavailable
5
CYLINDER HEAD | Use up to Engine SN 2109800 This part replaces 12200-087-000.
12200-087-305
Unavailable
5
CYLINDER HEAD This part replaces 12200-087-010.
12200-087-305
Unavailable
6
GASKET, CYLINDER HEAD This part replaces 12251-087-000.
12251-111-505
Unavailable
6
GASKET, CYLINDER HEAD
12251-111-505
Unavailable
6
GASKET, CYLINDER HEAD This part replaces 12251-111-730.
12251-111-505
Unavailable
6
GASKET, CYLINDER HEAD This part replaces 12251-111-731.
12251-111-505
Unavailable
