- Partiron
- OEM Parts
- Honda
- MOTORCYCLE
- Models With No Year
- CT70A MOTORCYCLE, JPN, VIN# CT70-100001
LEFT CRANKCASE COVER + ALTERNATOR
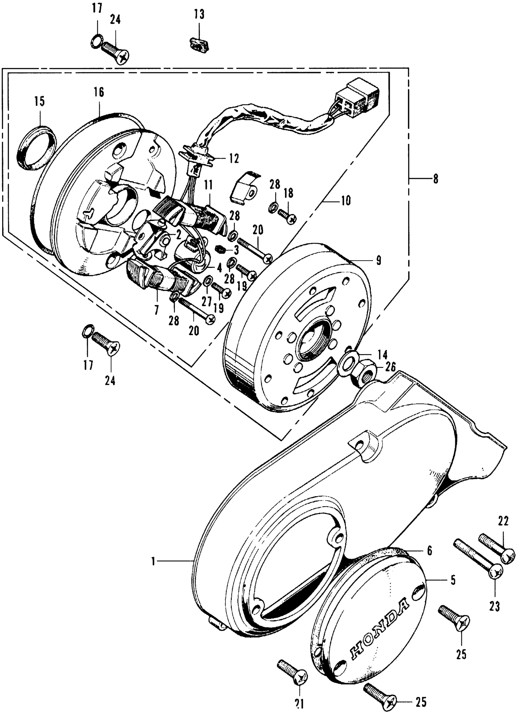
Honda CT70A MOTORCYCLE, JPN, VIN# CT70-100001 LEFT CRANKCASE COVER + ALTERNATOR Diagram
#
Description
Price
1
COVER, L. CRANKCASE | Use up to Engine SN 126800 This part replaces 11341-045-030.
11341-120-020
$79.12
1
COVER, L. CRANKCASE This part replaces 11341-098-000.
11341-165-750
Unavailable
1
COVER, L. CRANKCASE This part replaces 11341-098-010.
11341-165-750
Unavailable
1
COVER, L. CRANKCASE | Use up to Engine SN 126800 This part replaces 11341-120-010.
11341-120-020
$79.12
1
COVER, L. CRANKCASE
11341-165-750
Unavailable
5
COVER, POINTS | Use from Engine SN 126801 This part replaces 30371-040-020.
30371-098-750
Unavailable
5
COVER, POINTS | Use from Engine SN 126801 This part replaces 30371-098-730.
30371-098-750
Unavailable
5
COVER, POINTS | Use from Engine SN 126801
30371-098-750
Unavailable
5
COVER, POINTS | Use from Engine SN 126801 This part replaces 30371-126-670.
30371-098-750
Unavailable
6
GASKET, POINTS COVER | Use from Engine SN 126801 This part replaces 30374-040-010.
30374-040-020
$3.13
6
GASKET, POINTS COVER | Use from Engine SN 126801 This part replaces 30374-040-306.
30374-040-020
$3.13
7
COIL, PRIMARY (HITACHI)
30540-041-005
Unavailable
8
ALTERNATOR ASSY., FLYWHEEL (NOT AVAILABLE)
31100-098-671
Unavailable
9
FLYWHEEL (HITACHI) (NOT AVAILABLE)
31121-045-015
Unavailable
10
STATOR ASSY. (NOT AVAILABLE) This part replaces 31141-098-671.
31141-098-672
Unavailable
10
STATOR ASSY. (NOT AVAILABLE)
31141-098-672
Unavailable
11
COIL, LIGHT (NOT AVAILABLE)
31631-045-005
Unavailable
13
GROMMET, NEUTRAL SWITCH WIRE
32981-035-000
Unavailable
