- Partiron
- OEM Parts
- Honda
- MOTORCYCLE
- 1982
- CT70A (82) TRAIL 70, JPN, VIN# JH2DD010-CS300007 TO JH2DD010-CS300007
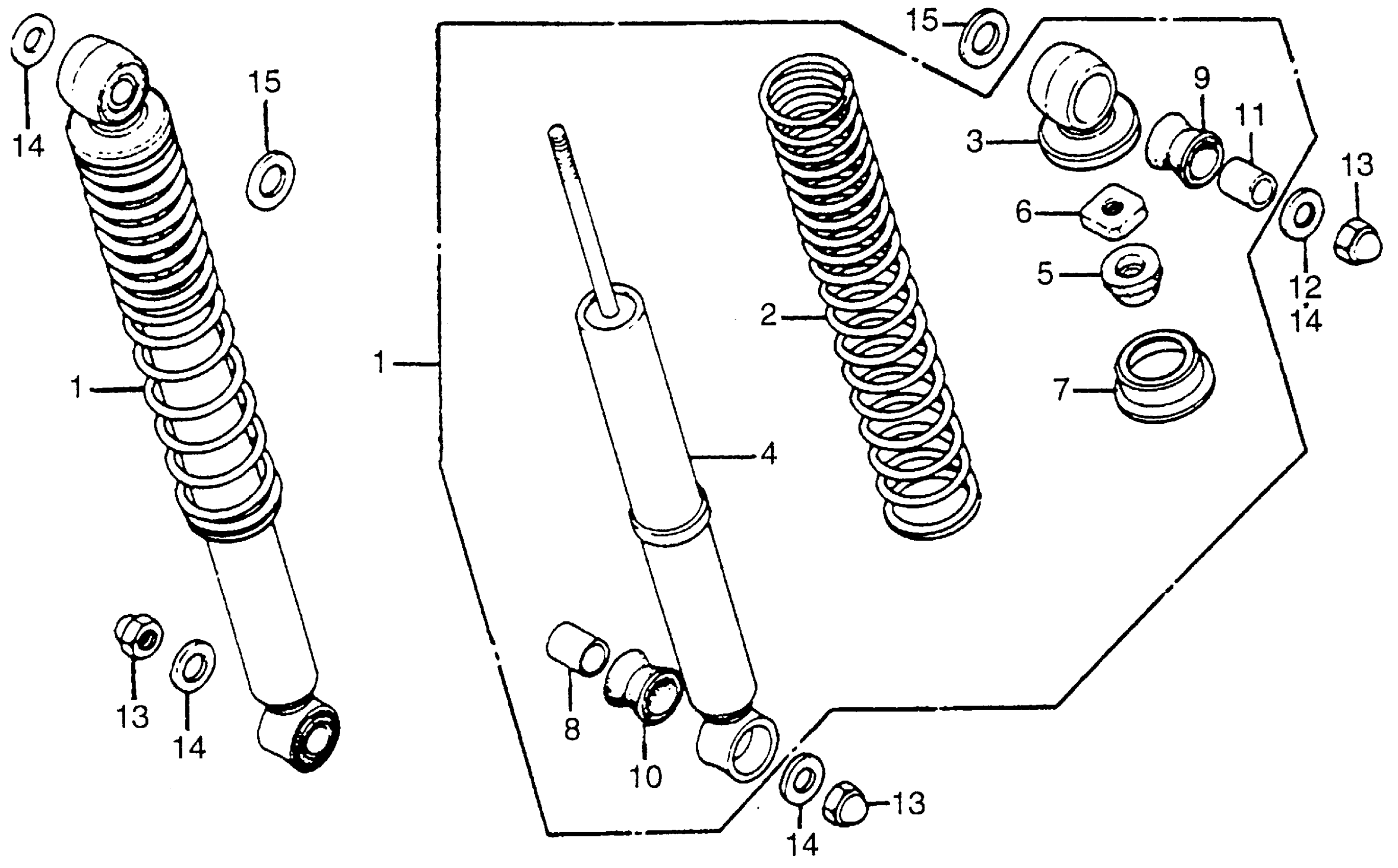
REAR SHOCK ABSORBER
Honda CT70A (82) TRAIL 70, JPN, VIN# JH2DD010-CS300007 TO JH2DD010-CS300007 REAR SHOCK ABSORBER Diagram
#
Description
Price
1
SHOCK ASSY., RR. This part replaces 52400-126-405.
52400-126-773
Unavailable
1
SHOCK ASSY., RR. This part replaces 52400-126-772.
52400-126-773
Unavailable
2
SPRING, RR. SHOCK ABSORBER (NOT AVAILABLE)
52401-126-770
Unavailable
3
METAL, RR. SHOCK ABSORBER (UPPER)
52403-126-771
Unavailable
3
METAL, RR. SHOCK ABSORBER (UPPER) This part replaces 52410-125-771.
52403-126-771
Unavailable
4
SHOCK ASSY., RR. This part replaces 52400-126-405.
52400-126-773
Unavailable
4
SHOCK ASSY., RR. This part replaces 52400-126-772.
52400-126-773
Unavailable
4
SHOCK ASSY., RR. This part replaces 52430-126-772.
52400-126-773
Unavailable
5
RUBBER, RR. SHOCK ABSORBER STOPPER (NOT AVAILABLE)
52475-125-771
Unavailable
6
NUT, RR. SHOCK ABSORBER LOCK (NOT AVAILABLE)
52482-125-771
Unavailable
7
SEAT, RR. SHOCK ABSORBER SPRING (SHOWA) This part replaces 52485-125-771.
52485-131-003
Unavailable
7
SEAT, RR. SHOCK ABSORBER SPRING (SHOWA)
52485-131-003
Unavailable
8
COLLAR, RUBBER BUSH (NOT AVAILABLE)
52486-124-832
Unavailable
9
BUSH, RUBBER (UPPER) This part replaces 52486-125-771.
52495-126-771
Unavailable
9
BUSH, RUBBER (UPPER)
52495-126-771
Unavailable
10
BUSH, RUBBER (NOT AVAILABLE)
52487-125-771
Unavailable
11
COLLAR, RR. SHOCK ABSORBER RUBBER BUSH (UPPER) (NOT AVAILABLE)
52488-125-771
Unavailable
