- Partiron
- OEM Parts
- Yamaha
- motorcycle
- 1972
- CT2 (CT2) BH19219 1972
STARTER GENERATOR AT2 AT3
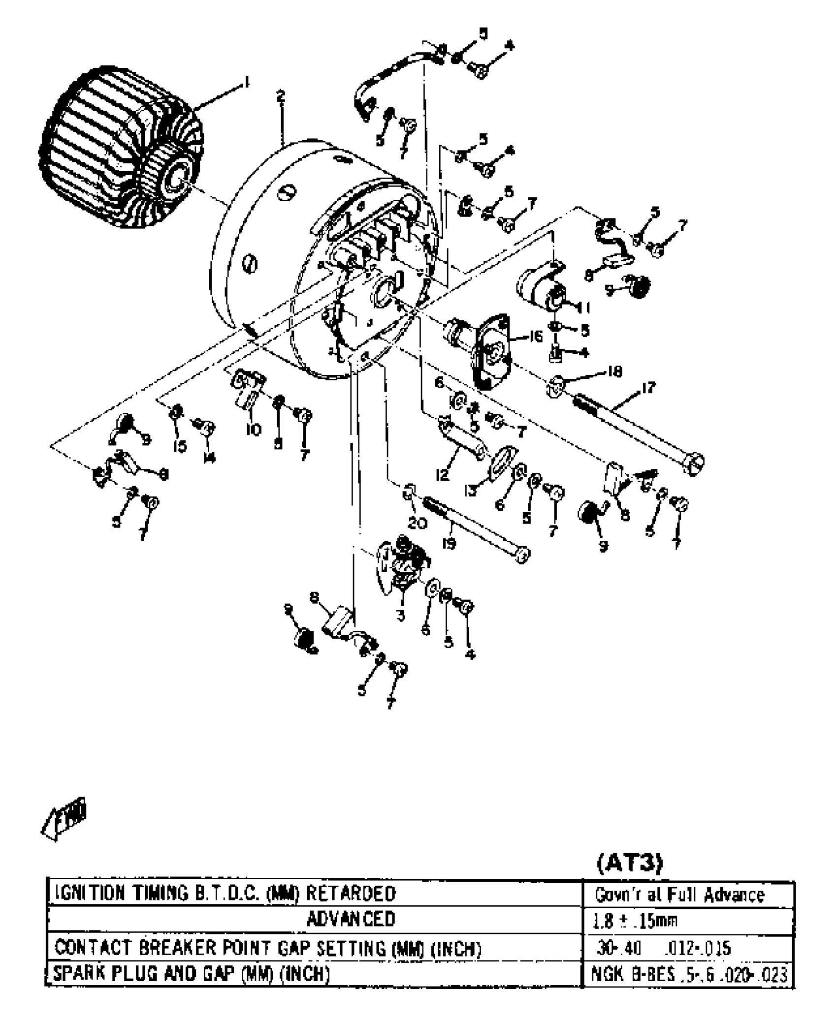
Yamaha CT2 (CT2) BH19219 1972 STARTER GENERATOR AT2 AT3 Diagram
#
Description
Price
1
ARMATURE
(261-81155-10-00)
Unavailable
1
STARTER GEN ASSEMBLY
(444-81100-10-00)
Unavailable
1
ARMATURE
(444-81155-10-00)
Unavailable
2
STATOR ASSEMBLY
(261-81110-10-00)
Unavailable
2
STATOR ASSEMBLY
(444-81110-10-00)
Unavailable
3
.. CONTACT BRKR ASSEMBLY
132-81221-10-00
Unavailable
3
CONTACT BREAKER ASSY
183-81421-19-00
Unavailable
7
SCREW, PAN HEAD(3XP)
98517-04006-00
Unavailable
8
BRUSH
101-81111-10-00
Unavailable
9
. SPRING, BRUSH
141-81113-10-00
Unavailable
10
LUBRICATOR
(132-81231-10-00)
Unavailable
10
. LUBRICATOR
207-81331-10-00
Unavailable
11
CNDSR 2
278-81625-91-00
Unavailable
12
FIXTURE, TMNG PLATE
(199-81133-10-00)
Unavailable
12
FIXTURE, TMNG PLATE
(299-81133-10-00)
Unavailable
13
PLATE, TIMING
(133-81132-10-00)
Unavailable
14
SCREW, PAN HEAD(62X)
97885-05010-00
Unavailable
15
YBS67-5 WASHER, SPRING
92990-05100-00
Unavailable
16
. GOVERNOR ASSEMBLY
173-81153-10-00
Unavailable
16
GOVERNOR ASSEMBLY
(444-81153-10-00)
Unavailable
17
BOLT
(148-81152-10-00)
Unavailable
18
YBS67-8 WASHER, SPRING
92990-08100-00
Unavailable
19
SCREW, STATOR
(261-81135-10-00)
Unavailable
20
YBS67-5 WASHER, SPRING
92990-05100-00
Unavailable
