- Partiron
- OEM Parts
- Yamaha
- motorcycle
- 1971
- CT1C (CT1C) 1971
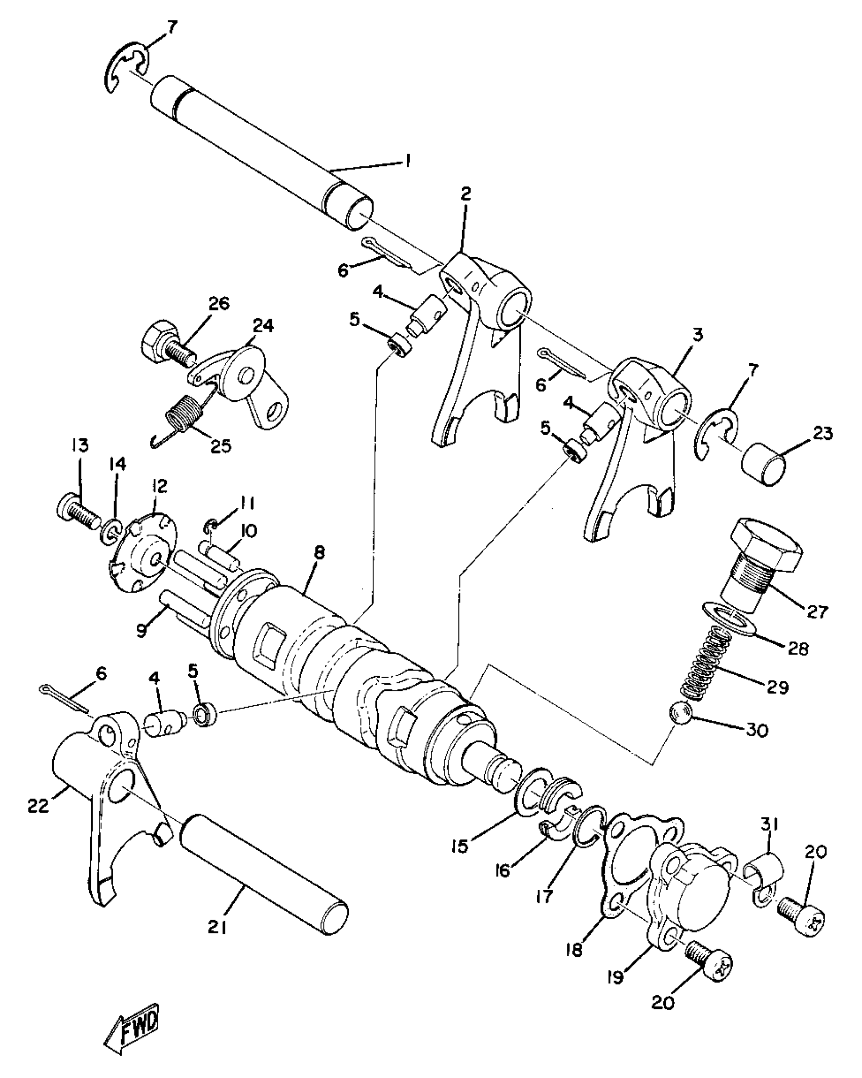
SHIFTER 1
Yamaha CT1C (CT1C) 1971 SHIFTER 1 Diagram
#
Description
Price
1
BAR, SHIFT FORK GUIDE 1
214-18531-00-00
Unavailable
1
PIN, STRAIGHT
90250-08017-00
Unavailable
2
FORK, SHIFT 3
463-18513-00-00
Unavailable
3
FORK, SHIFT 1
463-18511-00-00
Unavailable
4
PIN, SPEC''L SHAPE
(90249-05035-00)
Unavailable
5
PIN,SPEC'L SHAPE
90249-05035-00
Unavailable
8
SHIFT CAM ASSEMBLY
315-18540-00-00
Unavailable
10
. PIN, SPEC''L SHAPE (174-18544-00)
90249-04039-00
Unavailable
11
. CIRCLIP, E-TYPE
93430-03014-00
Unavailable
15
WASHER PLATE 164185720000
90201-12166-00
Unavailable
16
HOLDER, SHIFT CAM
164-18571-01-00
Unavailable
16
HOLDER, SHIFT CAM
307-18571-00-00
Unavailable
17
CIRCLIP
93440-15012-00
Unavailable
18
CIRCLIP
93440-15012-00
Unavailable
19
PLUG, BLIND SHIFT CAM
164-18589-00-00
Unavailable
20
SCREW, PAN HEAD(62J)
97885-06012-00
Unavailable
21
BAR, SHIF FRK GDE 1
(248-18531-00-00)
Unavailable
22
FORK, SHIFT 2
463-18512-00-00
Unavailable
23
PLUG, BLIND
214-15385-00-00
Unavailable
24
STOPPER LEVER ASSY
132-18140-01-00
Unavailable
25
SPRING, TENSION (260)
90506-09112-00
Unavailable
26
BOLT
90109-06239-00
Unavailable
27
BOLT
90109-14385-00
Unavailable
28
SPRING, COMPRESION
90501-12750-00
Unavailable
29
BALL
93505-16006-00
Unavailable
30
BALL
93505-16006-00
Unavailable
31
CLAMP
(90462-05012-00)
Unavailable
