- Partiron
- OEM Parts
- Yamaha
- motorcycle
- 1971
- CT1C (CT1C) 1971
HEAD LAMP, SPEEDOMETER & TACHOMETER (AT1C)
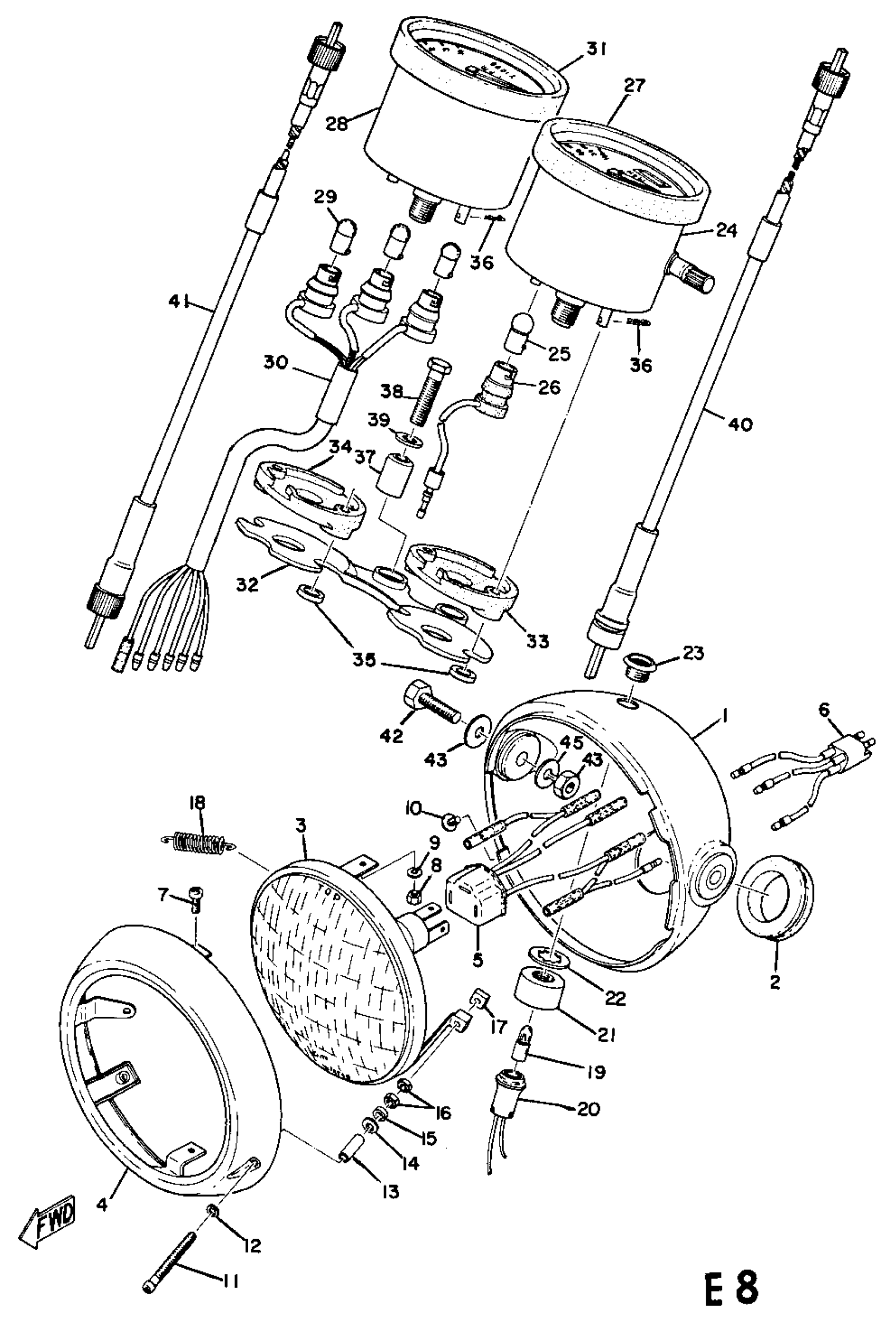
Yamaha CT1C (CT1C) 1971 HEAD LAMP, SPEEDOMETER & TACHOMETER (AT1C) Diagram
#
1
BODY ASSEMBLY
(261-84330-60-63)
Unavailable
2
PILOT LIGHT ASSEMBLY 1
256-84301-61-00
Unavailable
3
LENS ASSEMBLY
261-84320-61-00
Unavailable
4
. RIM, HEADLIGHT
261-84315-61-00
Unavailable
5
SOCKET, CORD
261-84312-61-00
Unavailable
6
CORD, HEADLIGHT
(214-84159-61-00)
Unavailable
11
SCREW, RIM ADJUSTING
(198-84331-60-00)
Unavailable
13
. COLLAR, SCREW
233-84133-60-00
Unavailable
15
. SPACER
132-84328-60-00
Unavailable
17
NUT, ADJUST
198-84334-60-00
Unavailable
18
SPRING
(132-84335-60-00)
Unavailable
19
BULB
256-84347-00-00
Unavailable
20
PILOT LIGHT ASSEMBLY 1
256-84301-61-00
Unavailable
21
PILOT LIGHT ASSEMBLY
214-84101-61-00
Unavailable
22
WASHER, IN.TOOTH
(92901-12300-00)
Unavailable
23
PILOT LIGHT ASSEMBLY
214-84101-61-00
Unavailable
24
SPEEDOMETER ASSEMBLY
(261-83570-41-00)
Unavailable
25
BULB (12V-3.4W)
123-83516-21-00
Unavailable
26
SOCKET, METER
(235-83536-21-00)
Unavailable
27
. DAMPER
336-83513-00-00
Unavailable
28
TACHOMETER ASSEMBLY
(261-83540-20-00)
Unavailable
29
BULB (12V-3.4W)
123-83516-21-00
Unavailable
30
SOCKET CORD ASSEMBLY
(261-83520-01-00)
Unavailable
31
DAMPER
237-83523-00-00
Unavailable
32
BRACKET, METER
(275-83519-00-33)
Unavailable
33
DAMPER
214-83523-00-00
Unavailable
34
DAMPER
237-83523-00-00
Unavailable
35
WASHER 214835240000
90209-05029-00
Unavailable
36
CLIP (156-83525-00)
90468-10050-00
Unavailable
37
BUSH, SPEC''L RUBBER (214-83528-00)
90385-06001-00
Unavailable
38
BOLT(JF7)
97080-06030-00
Unavailable
39
YBS66-6 WASHER, PLAIN
92990-06200-00
Unavailable
40
SPEEDOMETER CABLE ASSY
1JN-83550-02-00
Unavailable
41
TACHOMETER CABLE ASSY
3T2-83560-00-00
Unavailable
42
BOLT (682)
97013-08025-00
Unavailable
43
WASHER, PLAIN
92990-08200-00
Unavailable
44
NUT(6L2)
95333-08600-00
Unavailable
45
YBS67-8 WASHER, SPRING
92990-08100-00
Unavailable
