- Partiron
- OEM Parts
- Yamaha
- motorcycle
- 1971
- CT1C (CT1C) 1971
ELECTRICAL (AT1C)
Yamaha CT1C (CT1C) 1971 ELECTRICAL (AT1C) Diagram
#
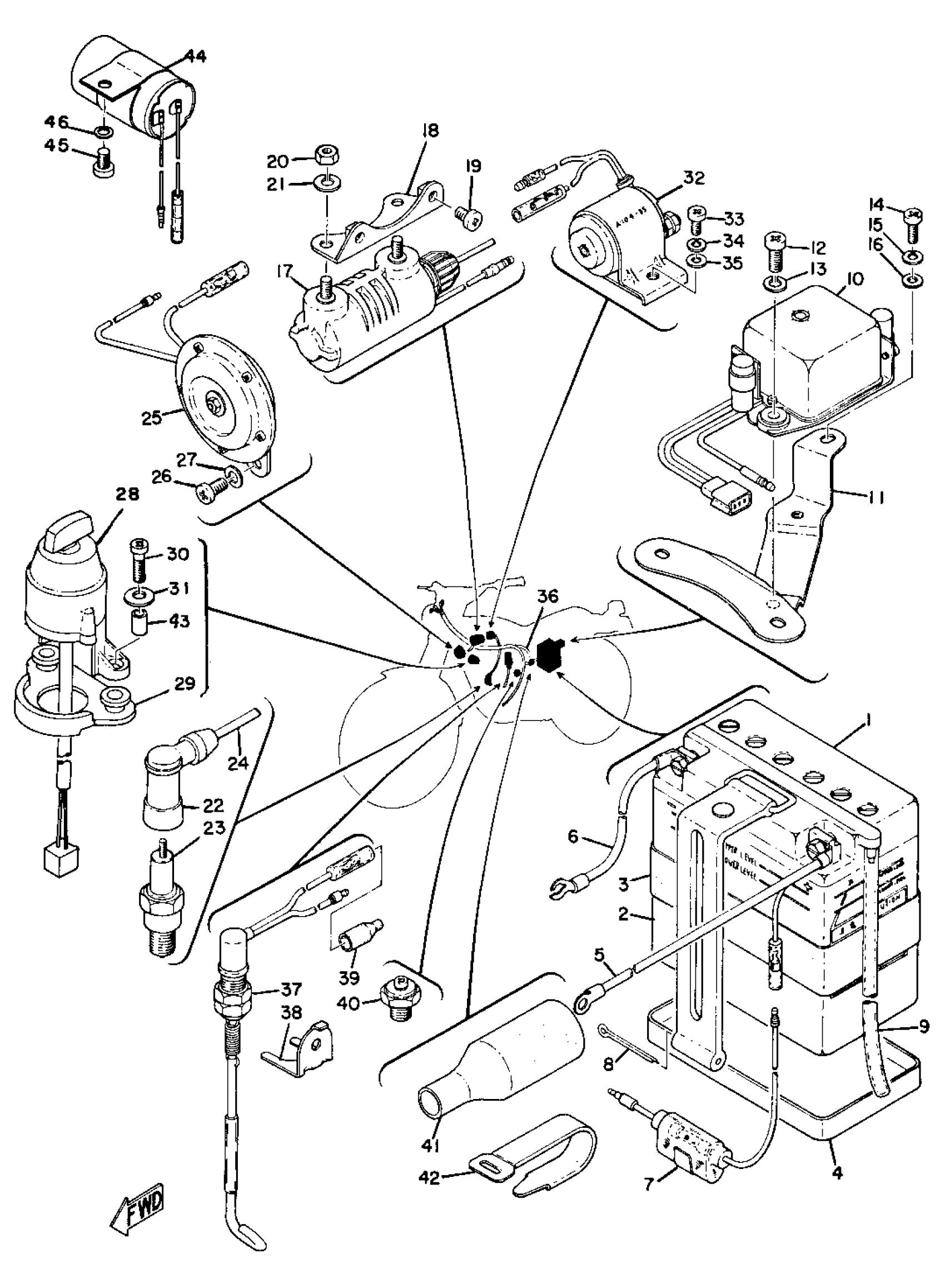
1
CAP, BATTERY
(104-82111-20-00)
Unavailable
1
FUSE HOLDER ASSY
2UJ-82150-02-00
Unavailable
1
12N73BY YUASA BATTERY
12N-73BY0-00-00
Unavailable
2
BAND, BATTERY
261-82131-00-00
Unavailable
3
BAND, BATTERY
1UA-82124-00-00
Unavailable
4
SEAT, BATTERY
(173-82122-00-00)
Unavailable
5
WIRE, PLUS LEAD
(261-82115-01-00)
Unavailable
6
WIRE, MINUS LEAD
(261-82116-01-00)
Unavailable
7
FUSE HOLDER ASSY
2UJ-82150-02-00
Unavailable
9
PIPE,BREATHER
2RH-21826-00-00
Unavailable
10
VOLTAGE REG ASSEMBLY
444-81910-10-00
Unavailable
11
PLATE, REG FITTING
(261-81915-00-33)
Unavailable
13
WASHER, SPRING
92995-06100-00
Unavailable
14
SCREW, PAN HEAD(6B0)
97885-05016-00
Unavailable
15
YBS67-5 WASHER, SPRING
92990-05100-00
Unavailable
16
. WASHER, PLAIN
92990-05200-00
Unavailable
17
IGNITION COIL ASSEMBLY
254-82310-60-00
Unavailable
18
BRACKET, IGN COIL
(248-82316-00-00)
Unavailable
19
SCREW PAN HEAD
98580-06010-00
Unavailable
20
NUT, HEXAGON
95380-06600-00
Unavailable
21
WASHER, SPRING
92995-06100-00
Unavailable
22
PLUG CAP ASSY
56J-82370-00-00
Unavailable
23
BR8ES NGK SCREW TOP 4PK
BR8-ES000-00-00
Unavailable
24
CORD, HIGHT TENSION 1
137-82341-01-00
Unavailable
25
HORN
326-83371-21-00
Unavailable
26
SCREW, PAN HEAD(62J)
97885-06012-00
Unavailable
27
WASHER, SPRING
92995-06100-00
Unavailable
28
MAIN SWITCH ASSEMBLY
(261-82508-11-00)
Unavailable
29
DAMPER, MAIN SWITCH
(256-82515-00-00)
Unavailable
30
SCREW, FLAT
98707-05012-00
Unavailable
31
WASHER, PLATE (8J0)
90201-05725-00
Unavailable
32
STARTER SWITCH ASSEMBLY
261-81940-11-00
Unavailable
33
SCREW PAN HEAD
98580-06010-00
Unavailable
34
WASHER, SPRING
92995-06100-00
Unavailable
35
YBS66-6 WASHER, PLAIN
92990-06200-00
Unavailable
36
NO LONGER AVAILABLE
261-82590-13-00
Unavailable
37
STOP SWITCH ASSEMBLY
248-82530-02-00
Unavailable
38
STAY, STOP SWITCH
(248-82539-00-00)
Unavailable
39
COVER, CONNECTER
(248-82599-00-00)
Unavailable
40
NEUTRAL SWITCH ASSY
136-82540-03-00
Unavailable
41
COVER, CONNECTER
(214-82599-00-00)
Unavailable
42
BAND, SWITCH CORD
437-83936-01-00
Unavailable
43
COLLAR 451221260000
90387-05285-00
Unavailable
44
FLASHER RELAY ASSEMBLY
278-83350-71-00
Unavailable
45
SCREW, PAN HEAD(62J)
97885-06012-00
Unavailable
46
WASHER, SPRING
92995-06100-00
Unavailable
