- Partiron
- OEM Parts
- Yamaha
- motorcycle
- 1969
- CT1 (CT1) 1969
REAR ARM - CHAIN CASE
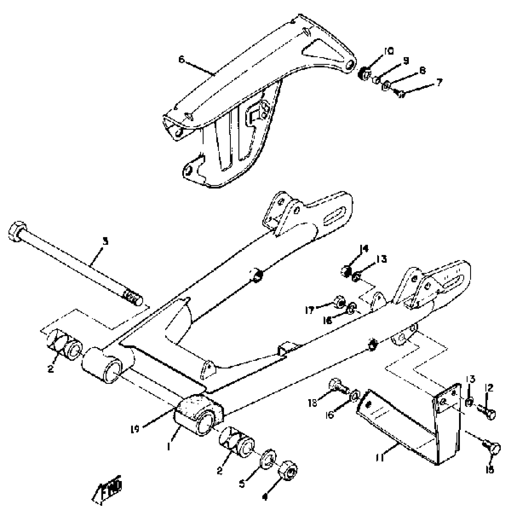
Yamaha CT1 (CT1) 1969 REAR ARM - CHAIN CASE Diagram
#
Description
Price
1
REAR ARM
(248-22110-00-33)
Unavailable
2
BUSH 1
174-22123-00-00
Unavailable
3
SHAFT, PIVOT
(248-22141-00-00)
Unavailable
6
CASE, CHAIN
(248-22311-00-35)
Unavailable
7
SCREW, PAN HEAD(62X)
97885-05010-00
Unavailable
8
WASHER, PLATE
90201-06M08-00
Unavailable
9
SPACER
90560-05001-00
Unavailable
10
GROMMET (141-82596-00)
90480-12096-00
Unavailable
11
GUARD, CHAIN
(248-22318-00-33)
Unavailable
13
WASHER, SPRING
92995-06100-00
Unavailable
14
NUT, HEXAGON
95380-06600-00
Unavailable
16
YBS67-8 WASHER, SPRING
92990-08100-00
Unavailable
17
NUT(6L2)
95333-08600-00
Unavailable
18
BOLT, HEXAGON
97013-08020-00
Unavailable
19
SEAL, GUARD
(248-22151-00-00)
Unavailable
