Yamaha CS3C (CS3C) 1970 SHIFTER Diagram
#
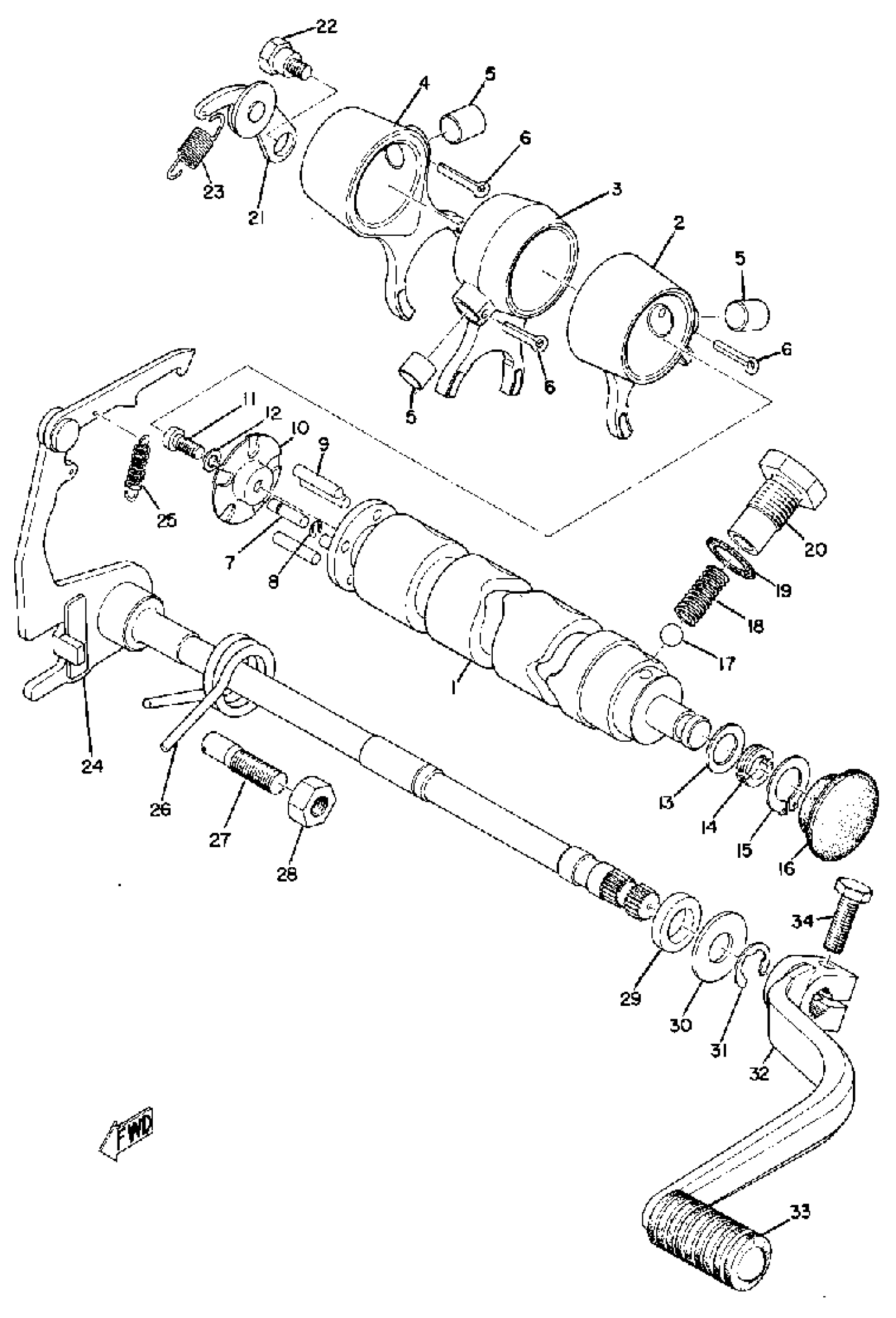
1
SHIFTER ASSEMBLY
(174-18500-03-00)
Unavailable
1
CAM, SHIFT
(174-18541-03-00)
Unavailable
2
FORK, SHIFT 1
(174-18511-00-00)
Unavailable
3
FORK, SHIFT 2
(174-18512-00-00)
Unavailable
4
FORK, SHIFT 3
(174-18513-00-00)
Unavailable
5
PIN, STRAIGHT
(90250-10020-00)
Unavailable
7
. PIN, SPEC''L SHAPE (174-18544-00)
90249-04039-00
Unavailable
8
. CIRCLIP, E-TYPE
93430-03014-00
Unavailable
14
HOLDER, SHIFT CAM
307-18571-00-00
Unavailable
15
CIRCLIP
93440-15012-00
Unavailable
16
PLUG, BLIND
(307-18533-00-00)
Unavailable
17
BALL
93505-16006-00
Unavailable
18
SPRING, COMPRESION
90501-12750-00
Unavailable
19
WASHER, PROTECTOR
4F4-14766-00-00
Unavailable
20
BOLT
90109-14385-00
Unavailable
21
STOPPER LEVER ASSY
132-18140-01-00
Unavailable
22
BOLT
90109-06239-00
Unavailable
23
SPRING, TENSION (260)
90506-09112-00
Unavailable
24
SHIFT SHAFT ASSEMBLY.1
174-18101-02-00
Unavailable
25
SPRING TENSION 132181230000
90506-09009-00
Unavailable
26
SPRING TORSION 132181240000
90508-32207-00
Unavailable
27
SCREW, ADJUSTING (367)
90149-08094-00
Unavailable
28
NUT(6L2)
95333-08600-00
Unavailable
29
SEAL, OIL (30X)
93102-12321-00
Unavailable
30
WASHER, PLATE (353)
90201-12575-00
Unavailable
31
CIRCLIP
99006-10600-00
Unavailable
32
PEDAL, SHIFT
173-18111-01-93
Unavailable
33
COVER, CHANGE PEDAL
132-18113-01-00
Unavailable
34
BOLT(3DM)
97024-06020-00
Unavailable
