- Partiron
- OEM Parts
- Yamaha
- motorcycle
- 1970
- CS3C (CS3C) 1970
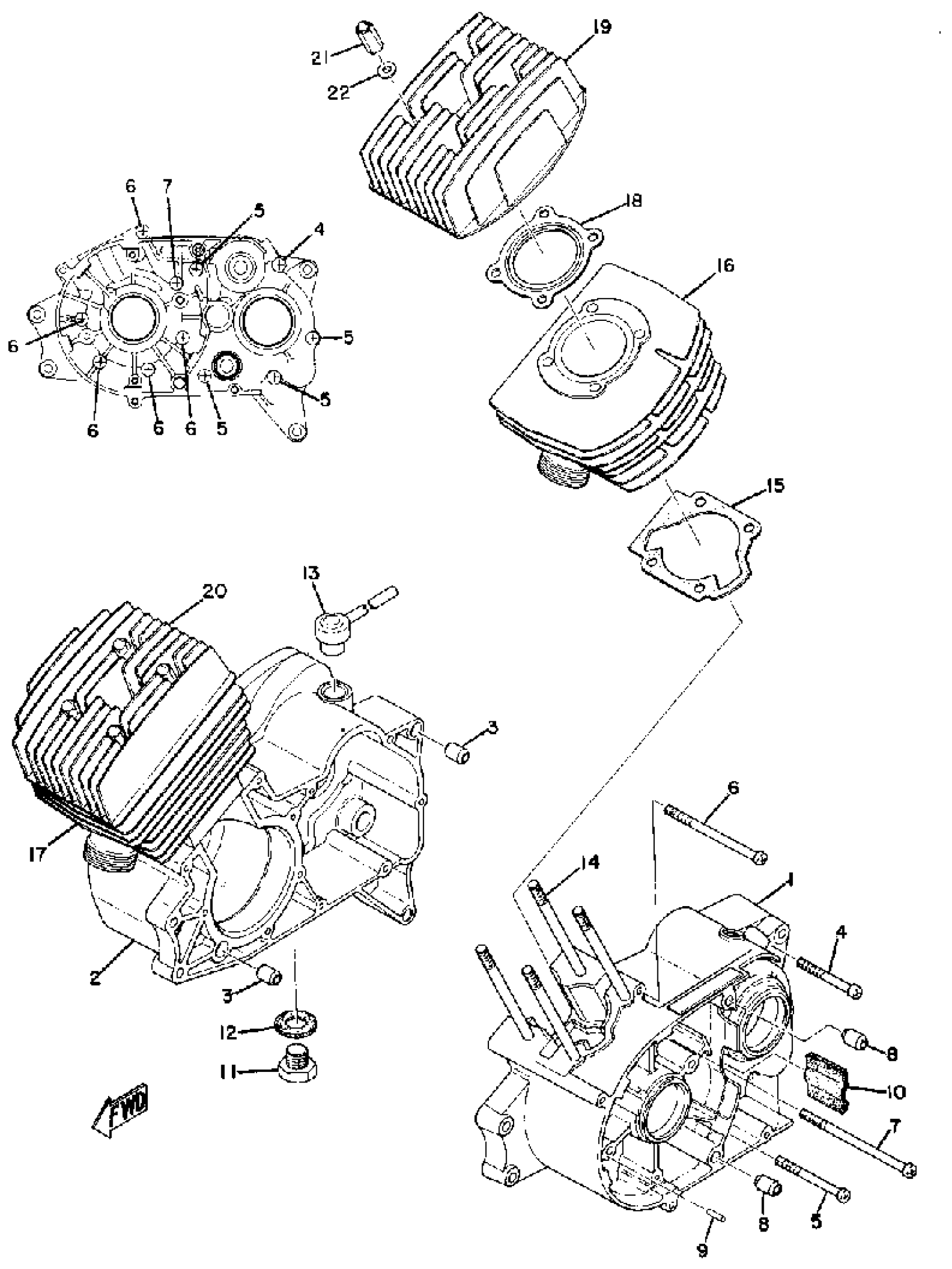
CRANKCASE
Yamaha CS3C (CS3C) 1970 CRANKCASE Diagram
#
Description
Price
1
CRANKCASE 1
(237-15111-00-00)
Unavailable
2
CRANKCASE 2
(237-15121-01-00)
Unavailable
5
SCREW, BIND (JH1)
98580-06560-00
Unavailable
10
GROMMET
(241-15357-01-00)
Unavailable
13
BREATHER
206-15371-00-00
Unavailable
14
BOLT, STUD (174-11361-00)
90116-07033-00
Unavailable
15
GASKET, CYLINDER
174-11351-01-00
Unavailable
16
CYLINDER 1
(273-11311-00-00)
Unavailable
17
CYLINDER 2
(273-11321-00-00)
Unavailable
18
GASKET, CYLINDER HEAD 1
273-11181-00-00
Unavailable
19
HEAD, CYLINDER 1
(273-11111-00-00)
Unavailable
20
HEAD, CYLINDER 2
(273-11121-00-00)
Unavailable
21
NUT, CROWN (166-11171-60)
90176-07003-00
Unavailable
22
WASHER, PLATE
90201-07077-00
Unavailable
