Partiron

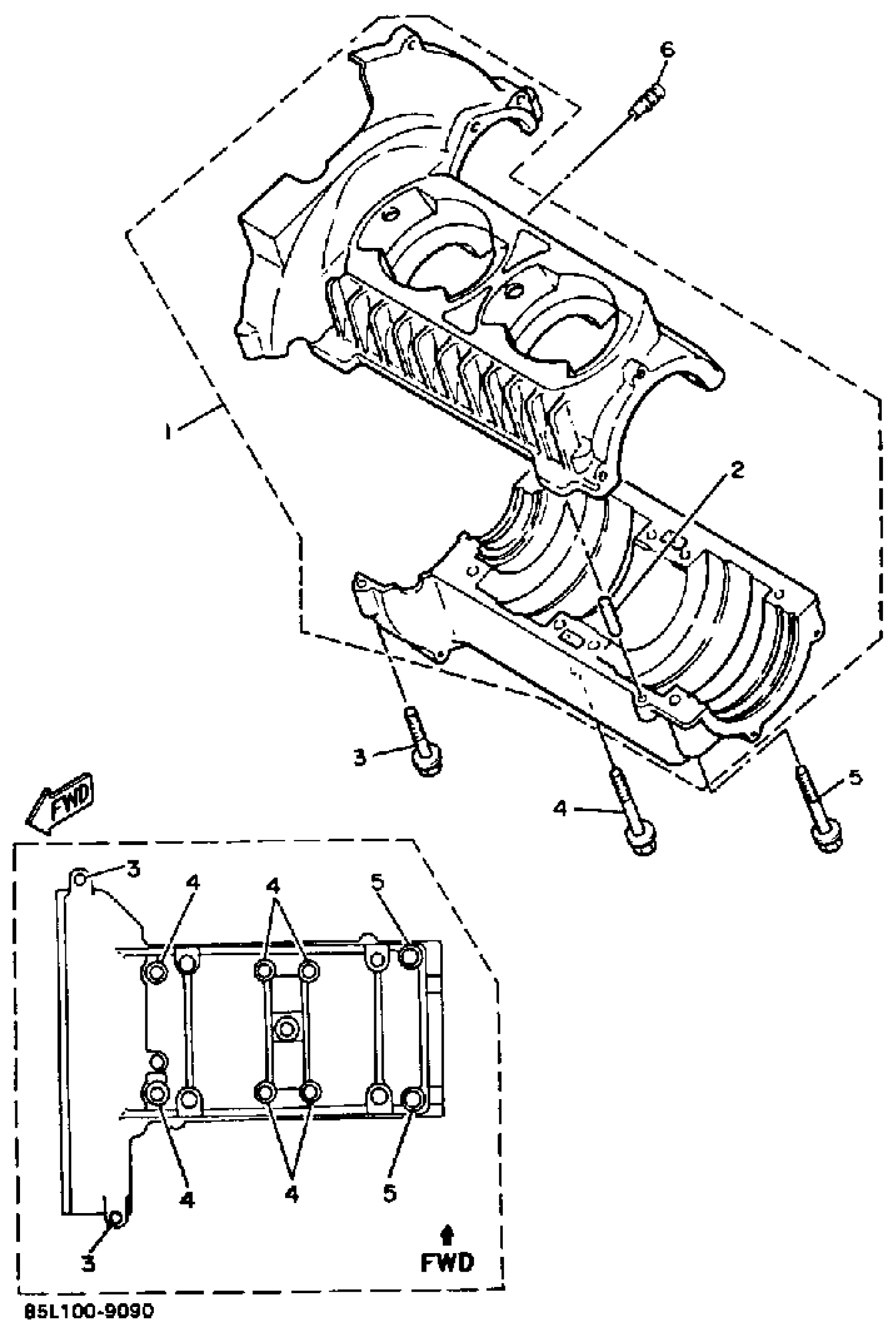
Yamaha CS340N (OVATION) 1989 CRANKCASE Diagram

#

Description
Price

1

CRANKCASE ASY

8J9-15100-01-00

Unavailable

2

PIN, DOWEL (8G8)

93605-10108-00

$8.49

3

BOLT, FLANGE

95817-08040-00

$7.49

4

BOLT, FLANGE

95817-08060-00

$3.76

5

BOLT, FLANGE(JN5)

95817-08070-00

$3.76

6

PIPE, JOINT

8G8-24461-00-00

Unavailable