- Partiron
- OEM Parts
- Yamaha
- snowmobile
- 1996
- CS340EW (OVATION LE) 1996
ELECTRICAL 1
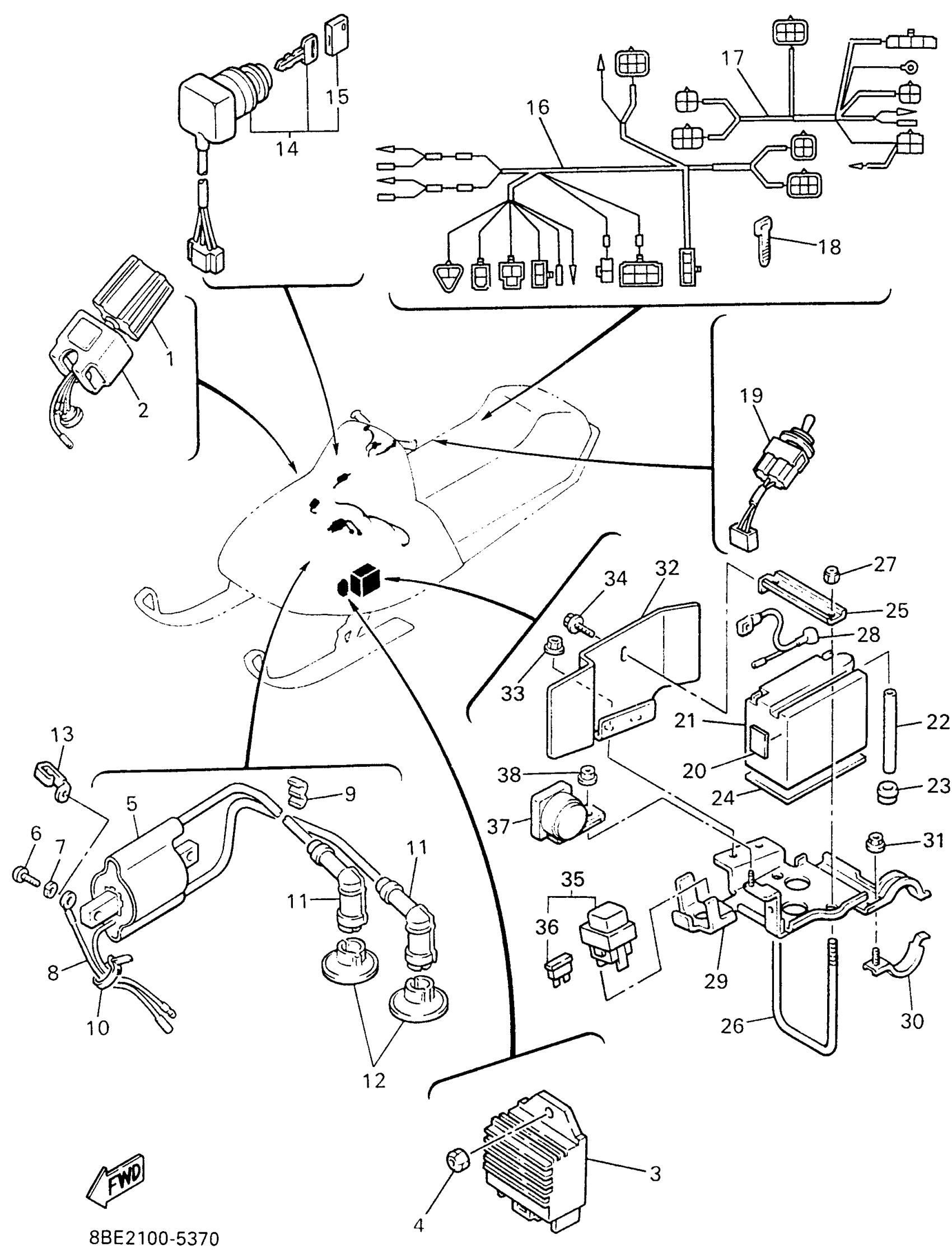
Yamaha CS340EW (OVATION LE) 1996 ELECTRICAL 1 Diagram
#
2
BAND
2A7-85546-00-00
Unavailable
8
WIRE, SUB-LEAD
87D-82318-00-00
Unavailable
9
CLAMP, CORD
861-82361-00-00
Unavailable
10
CLAMP
90465-08028-00
Unavailable
13
CLAMP(51Y)
90465-08277-00
Unavailable
14
MAIN SWITCH ASSY
8K1-82510-21-00
Unavailable
16
WIRE HARNESS ASSEMBLY
8BE-82590-00-00
Unavailable
17
WIRE HARNESS ASSEMBLY 2
8BE-82580-00-00
Unavailable
18
BAND
341-26397-01-00
Unavailable
19
SWITCH
8JD-82917-00-00
Unavailable
20
DAMPER
22F-2139X-00-00
Unavailable
21
YB14LA2 YUASA BATTERY
YB1-4LA20-00-00
Unavailable
22
HOSE (L340)
90445-08684-00
Unavailable
23
GROMMET(3AA)
90480-12497-00
Unavailable
24
. SEAT, BATTERY
82L-82122-00-00
Unavailable
25
PLATE, BATTERY FITTING
85N-82136-00-00
Unavailable
26
. SCREW, FITTING
8J4-82133-00-00
Unavailable
28
. WIRE, PLUS LEAD
89X-82115-00-00
Unavailable
29
BRACKET,BATTERY
85N-2199G-01-00
Unavailable
30
PLATE, BATTERY FITTING
8V0-82136-00-00
Unavailable
31
NUT, FLANGE(4MV)
95707-06500-00
Unavailable
32
. SHIELD, HEAT
85N-2199H-00-00
Unavailable
33
NUT, FLANGE(4MV)
95707-06500-00
Unavailable
34
BOLT, FLANGE
95817-06010-00
Unavailable
35
FUSE HOLDER ASSY
8BE-82150-00-00
Unavailable
36
FUSE (10A)
42X-82151-00-00
Unavailable
37
. STARTER RELAY ASSY
8J9-81940-10-00
Unavailable
38
NUT, FLANGE(4MV)
95707-06500-00
Unavailable
