Partiron

Yamaha CS340EU (OVATION LE) 1994 BRAKE Diagram

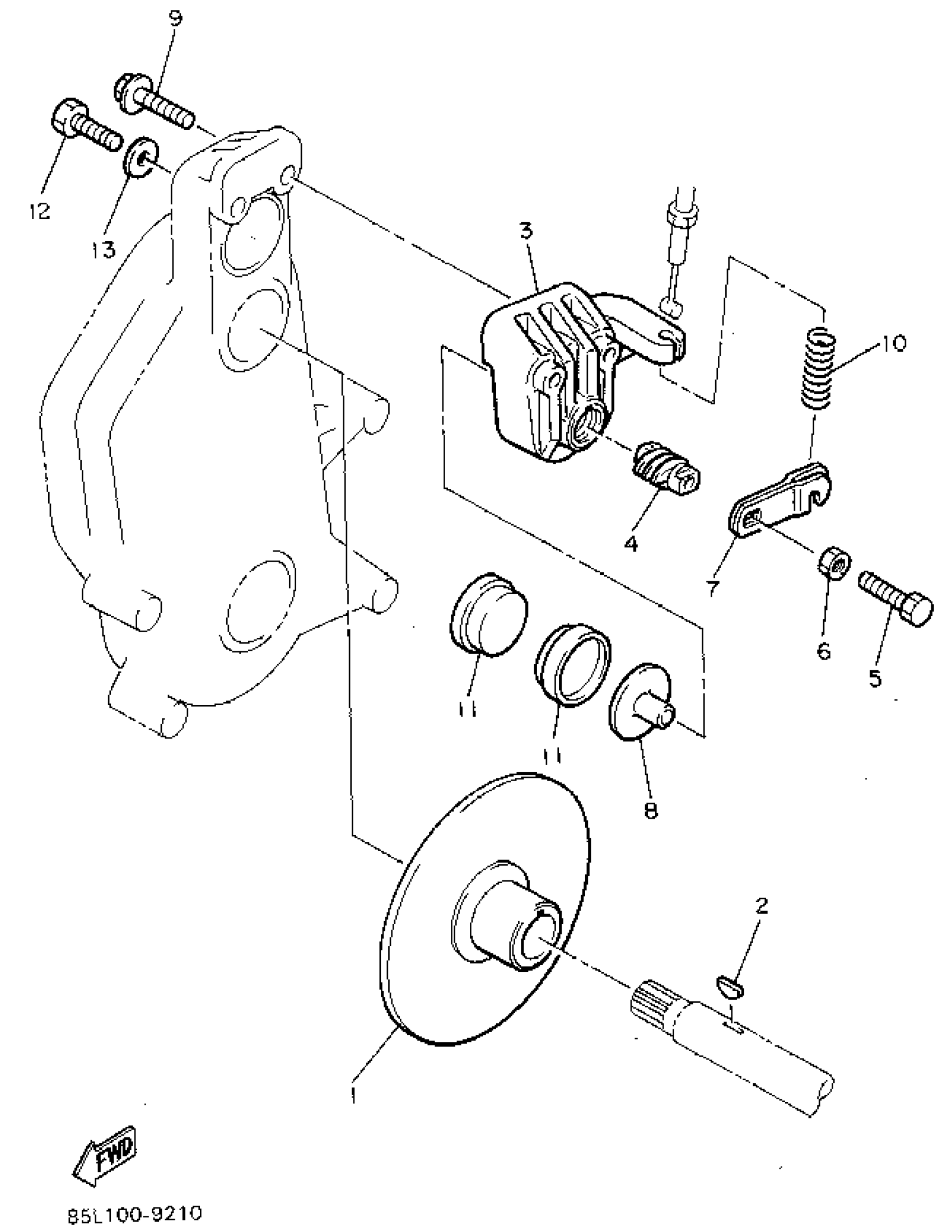
#

Description
Price

1

DISC, BRAKE (RIGHT)

85L-25831-00-00

Unavailable

2

KEY

8J7-25848-00-00

$15.99

3

BODY, CALIPER 1

8K4-25731-00-00

Unavailable

4

CAM

878-25728-00-00

Unavailable

5

BOLT (8K4)

90101-08499-00

Unavailable

6

. NUT

95380-08700-00

Unavailable

7

LEVER, BRAKE

878-25726-00-00

Unavailable

8

PLATE, BACK UP

878-25733-00-00

Unavailable

9

BOLT, FLANGE(8AB)

95817-10050-00

$7.49

10

SPRING, COMPRESSION

90501-23337-00

Unavailable

11

PAD, CALIPER 2

89J-25811-00-00

$27.99

12

BOLT, WASHER BASED

90105-10543-00

Unavailable

13

.. WASHER, PLATE

92990-08600-00

Unavailable