#
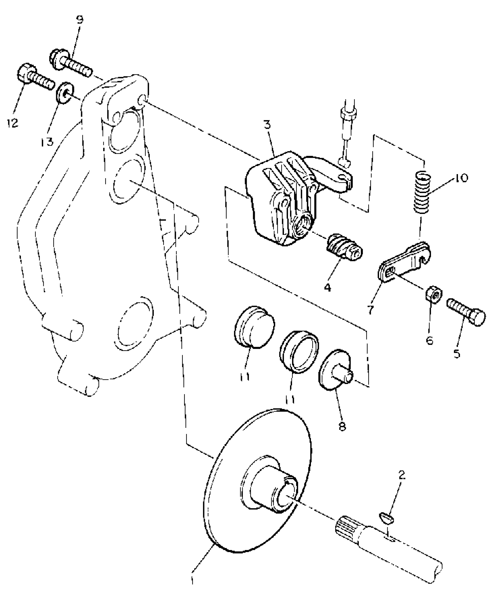
1
85L-25831-00-00
Unavailable
3
8K4-25731-00-00
Unavailable
4
878-25728-00-00
Unavailable
5
90101-08499-00
Unavailable
7
878-25726-00-00
Unavailable
8
878-25733-00-00
Unavailable
10
90501-23337-00
Unavailable
12
90105-10543-00
Unavailable
13
92990-08600-00
Unavailable
Edit ride
